CJ2F.80.45.800-00 - Привід HYDR CJ2F 80X45 хід 800 л=1140 + клапан 3/8

CJ2F.80.45.800-00 - Привід HYDR CJ2F 80X45 хід 800 л=1140 + клапан 3/8

Що Ви шукаєте?

CJ2F.80.45.800-00 - Привід HYDR CJ2F 80X45 хід 800 л=1140 + клапан 3/8

В наявності
Код товару:
13114747682
35077,00 грн
Основні параметри
Докладніше
Стан Новий
Номер за каталогом CJ2F.80.45.800-00
Опис
гідравлічний циліндр Польський 80x45x800 з регульованим замком, використовуваним для контролю сили і усунення частоти небажаних вібрацій-перевантажень.

код зрізу MET: [7642]

в комплект входить:
  • привід cj2f 80x45x800 [0275]
  • з'єднувальний комплект [1696]
  • трубка
  • зворотний дросельний клапан з регулюванням

!!!Поставляються комплекти готові до самостійної збірки через небезпеку пошкодження при транспортуванні транспортною компанією!!!

Польський гідравлічний циліндр подвійної дії 80x45x800

код зрізу MET: [0275]

виробник: SM-G (SKRAW met GROUP)

_________________________________________________________

варто знати, вибираючи Постачальника приводу

фотографії та зображення показують тільки зовнішній вигляд приводів. Найбільш важливі елементи, які проектують на якість і правильну роботу приводу протягом тривалого часу, приховані всередині ( посилені ущільнення, стенокардія, шток поршня і Висока якість труби). Всі наші приводи забезпечують найвищу якість цих елементів. Вибираючи продукт з нашого асортименту, ви робите хороший і мудрий вибір і товар, отриманий з польської < /b > фабрики.

SKRAW-MET < /B > є багаторічним лідером у виробництві приводів. Завдяки досвіду він використовує тільки посилені ущільнення польського походження, що забезпечує найвищу якість на ринку і надійність на довгі роки!

на інших наших аукціонах ви знайдете посилені ущільнення в якості ремонтного комплекту цього приводу.

_________________________________________________________

використовується в циклопах 5 турів, пиломатеріалах і похідних.

гідравлічний циліндр ідеально підходить для машин і обладнання з гідравлічним приводом.

може використовуватися в сільському господарстві, садівництві, лісовому господарстві або будівництві.

він адаптований для роботи в: сільськогосподарській техніці, тракторах, обприскувачах, баштах , циклопах, навантажувачах HDS, будівельній техніці, навантажувачах, екскаваторах, підмітальних машинах, промислових машинах та інших. символ: CJ2F 80x45x800

ТЕХНІЧНІ характеристики:
  • Довжина складеного приводу 1140 мм,
  • хід штока поршня 800 мм,
  • загальна довжина приводу при розкладанні 1940 мм,
  • Діаметр штока поршня 45 мм,
  • вихід штока m27x2,

допустимий тиск 250 бар,

допустима температура навколишнього середовища від -40'c до +60'c

допустима температура масла від -15'c до +80'c

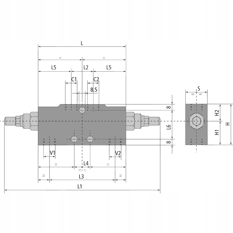
подвійний гальмівний зворотний клапан

подвійний гальмівний зворотний клапан використовується для управління рухом приймача і його блокуванням в обох напрямках, що забезпечує контрольоване опускання вантажу і обмеження максимального тиску в разі удару, викликаного неконтрольованим рухом, перевантаженням або раптовим маневром.

установка клапана повинна бути не менше ніж в 1,3 рази більше робочого тиску, щоб клапан закривався навіть при робочому тиску.

підключіть V1 і V2 до лінії живлення і C1 і C2 до приймача.

Матеріал: оцинкована сталь

ТЕХНІЧНІ характеристики:

тип SBV-d-06

з'єднання BSP: 3/8"

співвідношення керуючого тиску: 1:4,5

p Макс (бар): 350

Q Макс (л/хв): 40

H (мм): 32

H1 (мм): 28

h2 (мм): 60

L (мм): 150

L1 (мм): 248

l2 (мм): 50

L3 (мм): 110

L4 (мм): 30

L5 (мм): 50

L6 (мм): 44

s (мм): 30