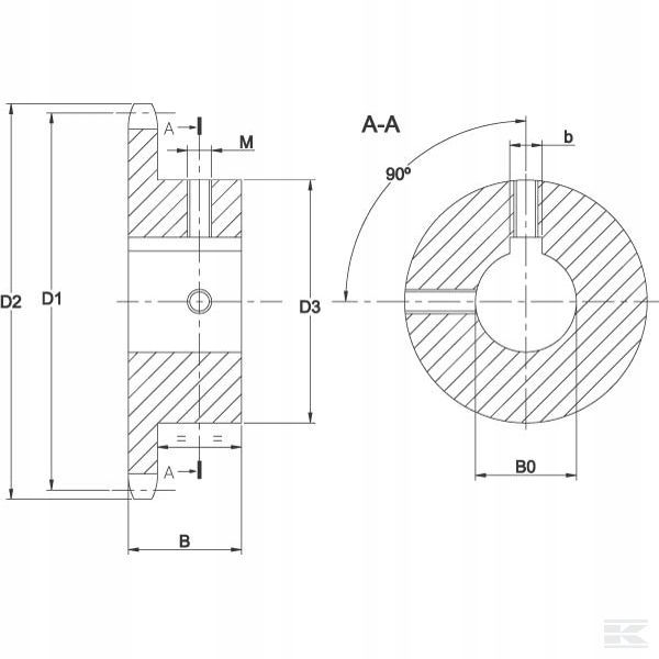
Зірочка одиночна з загартованим вінком, отвором з пазом під клин і кріпильними болтами.
для ланцюга 3/4" 12B-1
- Діаметр отвору fi 35 мм
- паз під клин 10 мм
- індуктивно загартовані зуби ( HRC 45-55)
- установка маточини: H7
- клинова канавка по DIN 6885 на центральній лінії зубів
- різьбовий отвір M8 на клині і на 90°
