235558 - МОСТ ГЕНЕРАТОРА ВОДЫ VALEO MERCEDES A КЛАСС

235558 - МОСТ ГЕНЕРАТОРА ВОДЫ VALEO MERCEDES A КЛАСС

Що Ви шукаєте?

235558 - МОСТ ГЕНЕРАТОРА ВОДЫ VALEO MERCEDES A КЛАСС

В наявності
Код товару:
12190490632
2689,00 грн
Основні параметри
Докладніше
Стан Новий
Номер за каталогом 235558
Номери замінних деталей AS-PL ARC3044, AS-PL ARC3044(VALEO), CASCO CRC15116AS, CASCO CRC15116GS, ERA 216027, GEBE 1 6568 1, MESSMER 216027, PowerMax 81115862, SANDO SRC15116.0, SANDO SRC15116.1, WAI IPR512,
Оригінальний номер деталі MERCEDES-BENZ A6681540102, MERCEDES-BENZ A6681540202, MERCEDES-BENZ A6681540302, PEUGEOT 9638543580,
Опис
MOSTEK ALTERNATORA WODNEGO VALEO MERCEDES A KLASA Producent czesci HC Cargo

особенности продукта:

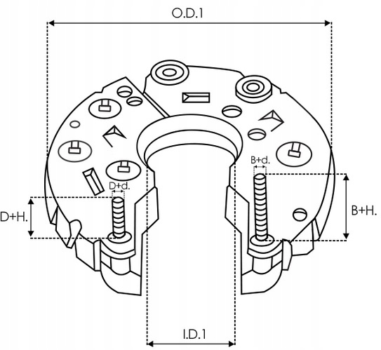
  • O. D. 1 [ мм]: 109.00
  • диоды [ шт]: 8
  • интенсивность диода [ a]: 50
  • B+H. [ мм]: 19.30
  • B + d. [мм]: M8X1. 25
  • улей>

    замены:

  • CARGO:235558
  • AS: ARC3044
  • улей>

    ПРИМЕНЕНИЕ:

    • 2542427: VALEO
    • 2542524: VALEO
    • 2542771: VALEO
    • A11VI109: VALEO
    • SG15L012: VALEO
    • SG15L026: VALEO
    MOSTEK ALTERNATORA WODNEGO VALEO MERCEDES A KLASA
    Scroll To Top