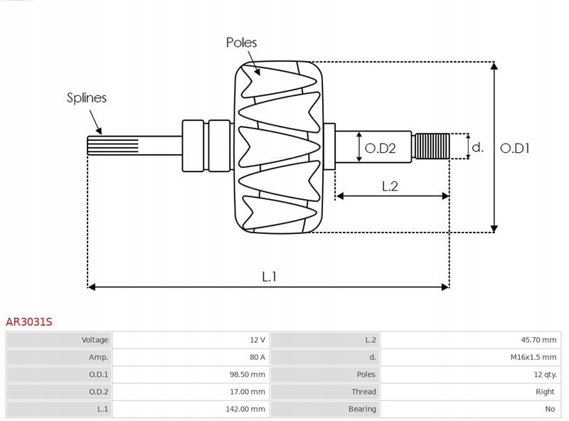
ротор генератора AR3031S AS-RU
Ротор, генератор
каталожний номер: AR3031S
виробник: as-RU
увага! Ціна вказана за 1 шт.
в одній моделі автомобіля, можуть бути різні варіанти деталей. У разі невизначеності правильного вибору деталей рекомендується перевірка по VIN
