Батарея акумуляторна батарея agm vrla acumax aml 12v 18ah apc rbc ups блок живлення сигналізація

Батарея акумуляторна батарея agm vrla acumax aml 12v 18ah apc rbc ups блок живлення сигналізація

Що Ви шукаєте?

Батарея акумуляторна батарея agm vrla acumax aml 12v 18ah apc rbc ups блок живлення сигналізація

В наявності
Код товару:
13067037543
5380,00 грн
Основні параметри
Докладніше
Стан Новий
Код виробника AML 18-12V, AML 18-12V
EAN (GTIN) 4055968832961
Продюсер Виробник Акумакс
Напруга 12В, 12В
Ємність 18 Ah, 18 Ah
Дизайн життя 10-12 років
Опис

ACUMAX

Герметичний свинцево-кислотний акумулятор

Серія: AML

Модель: AML 18-12

Серія AML

Акумулятори серії Acumax® AML виготовлені за технологією AGM (Absorbed Glass Mat) і містять електроліт, поглинений склопластикові сепаратори. Їх розрахунковий термін служби становить від 10 до 12 років . Вони розроблені для буферної роботи (аварійне живлення) і циклічної роботи. Серія AML складається з 17 моделей на 12 В, що відрізняються за такими параметрами, як потужність, розміри та вага. Ємність акумуляторів цієї серії коливається від 7 до 250 Ач

BATERIA AKUMULATOR AGM VRLA ACUMAX AML 12V 18Ah APC RBC UPS ZASILACZ ALARM

Технічні характеристики:

  • Технологія виготовлення: AGM VRLA
  • Розрахунковий термін служби 20° C [років]: 10-12
  • Номінальна напруга [В]: 12
  • Номінальна ємність C20 [А·год]: 18
  • Напруга заряджання при 25 °C для буферної роботи [В]: 13,5–13,8
  • Заряджання напруга при 25 °C для циклічної роботи [В]: від 14,4 до 15,0
  • Рекомендований зарядний струм [A]: 1,8
  • Максимальний зарядний струм [A]: 5,4
  • Тип полюсних клем: T3
  • Ширина полюсних клем [мм]: 12
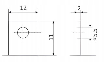
  • Розміри:

Висота [мм]: 167 ± 1 мм

Загальна висота [мм]: 167 ± 1 мм

Довжина [мм]: 181 ± 1 мм

Ширина [мм]: 76 ± 1 мм

  • Вага [кг]: 5,67 ± 3%
  • Матеріал корпусу: ABS UL 94-HB

Розміри батареї та роз’ємів [мм]:

BATERIA AKUMULATOR AGM VRLA ACUMAX AML 12V 18Ah APC RBC UPS ZASILACZ ALARM Producent Acumax
BATERIA AKUMULATOR AGM VRLA ACUMAX AML 12V 18Ah APC RBC UPS ZASILACZ ALARM EAN (GTIN) 4055968832961

ACUMAX

Герметичні свинцево-кислотні акумулятори, що не потребують обслуговування, виготовлені за технологією AGM VRLA з терміном служби від 6 до 12 років

Ідеальні продукти для використання в установках, що вимагають надійності

Acumax — це ефективні та економічні рішення

АКУМУЛЯТОРИ ЗА ТЕХНОЛОГІЄЮ AGM VRLA

Акумулятор виготовлено за технологією AGM, електроліт утримується у високопористих скловолоконних сепараторах. Це виключає ризик протікання і дозволяє працювати в будь-якому положенні. Батарея має самоущільнювальні клапани тиску для запобігання надлишкового тиску в комірці (VRLA). Завдяки своїм перевагам, таким як герметичність, необслуговування, низький внутрішній опір і тривалий термін зберігання, акумулятори AGM були обрані як основа для систем аварійного живлення. Вони ідеально підходять для використання в джерелах живлення ДБЖ, системах сигналізації, касових апаратах і системах живлення аварійного освітлення.

BATERIA AKUMULATOR AGM VRLA ACUMAX AML 12V 18Ah APC RBC UPS ZASILACZ ALARM Kod producenta AML 18-12V

Структура батареї

1 - Корпус

2 - Полюсні клеми

3 - Запобіжні клапани VRLA

4 - Кришка

5 - Кришка

6 - Негативна пластина

7 - Скловолоконний сепаратор

9 - Позитивна пластина

Чому акумулятори Acumax?

  • Можливість адаптації до ваших потреб, широкий асортимент понад 38 моделей
  • Дуже вигідне співвідношення ціни та якості
  • Нижчі експлуатаційні витрати завдяки надійності та тривалому фактичному терміну служби

Програма

  • Джерела живлення ДБЖ
  • Системи сигналізації та протипожежного захисту
  • Касові апарати та фіскальні принтери
  • Телекомунікаційні спортивні зали
  • Базові станції GSM
  • Аварійне джерело живлення для автоматизації та безпеки
  • Аварійне освітлення
  • Системи сонячних батарей
  • Медичні прилади
  • Мобільні та портативні пристрої

Основні функції

  • Компактний моноблок 6/12 В
  • Герметичний і необслуговуваний (щодо доливання електроліту)
  • Технологія AGM
  • Розрахунковий термін служби до 12 років
  • Діапазон ємності від 0,8 до 250 А·год.
  • Можливість установки в шафах 19" і 23" (серія FT)
  • Низький внутрішній опір
  • Дуже висока концентрація енергії
  • Можливість роботи в будь-якому положенні (крім опущених затискачів)
  • Широкий діапазон робочих температур

Перегляньте наші серії продуктів нижче, там ви знайдете повну пропозицію батарей від таких компаній:

  • ACUMAX
  • EUROPOWER
  • ALARMTEC
  • TECHNOCELL
  • GLP
  • IPS
  • МВТ ПОТУЖНІСТЬ

На вкладці додаткової інформації нижче ви знайдете інструкцію з експлуатації батареї та її каталожну картку

Scroll To Top