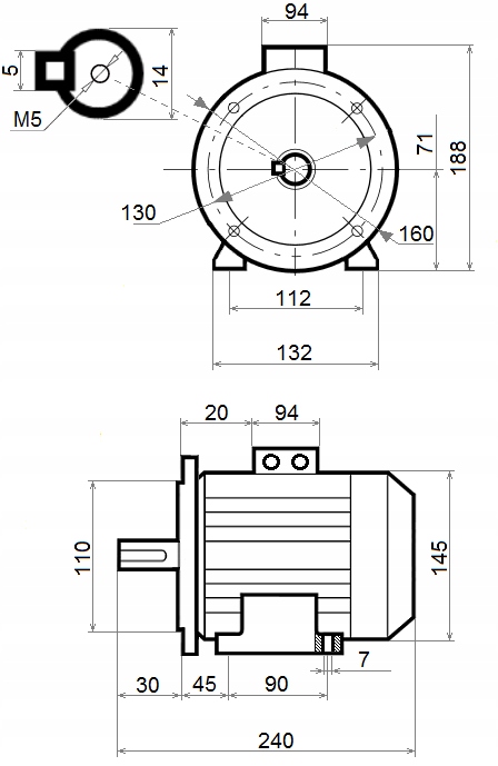
3-фазний електродвигун 400V 0,55 kWфланцевий двигун
виробництво:
оригінальний продукт марки Hydrolider, символ: 1.42.10.0055
застосування:
має широке застосування в гідравлічних системах в сільському господарстві, садівництві, лісовому господарстві, будівництві та зрозумілій промисловості.
двигуни загального призначення, пристосовані для безперервної роботи в промисловості і сільському господарстві. У гідравлічних системах використовується для приводу насосів. У механічних системах для введення в обертальний рух інших елементів системи.
є можливість установки на двигуни стороннього охолодження або ручного гальма.е>
