гідравлічний Реверсивний клапан, що перемикає для екстрактора гною
виробництво:
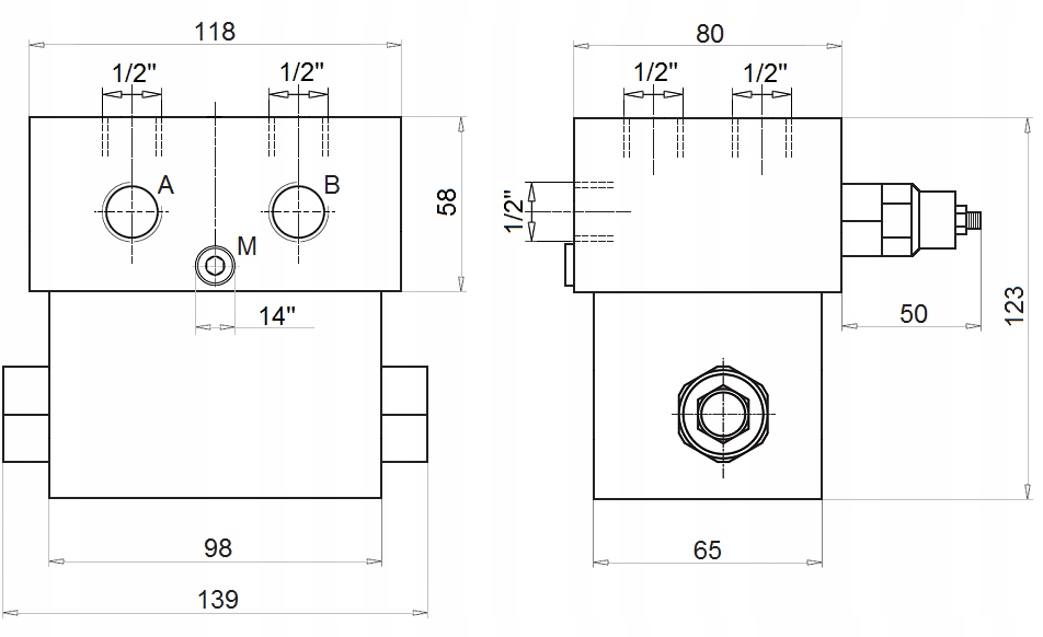
оригінальний продукт марки Hydrolider, символ: 1.35.58.015
застосування:
цей клапан використовується для гідравлічного управління маркерами слідів в сівалках, плантаторах для картоплі та аналогічних машинах.
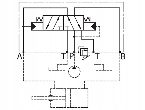
Реверсивний клапан, також званий перемикаючим або автоматичним, в основному використовується для циклічного перемикання руху приводу в екстракторах гною. Постійний тиск перемикання на рівні 180 бар.
принцип роботи:
клапан, підключений до постійного тиску масла, наприклад, від насоса або розподільника, викликає циклічну роботу приводу подвійної дії. На практиці привід виконує невпинне зворотно-поступальний рух, по черзі висуваючи і втягуючи шток поршня.е>
