виробництво:
оригінальний італійський продукт марки Oleodinamica Marchesini, символ: 1.35.18.220
застосування:
має широке застосування в гідравлічних системах у сільському господарстві, садівництві, лісовому господарстві, будівництві та широкій промисловості.
принцип роботи:
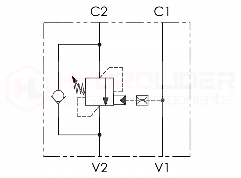
клапан "counterbalance" являє собою своєрідне з'єднання типового замку до приводу (VBPSE) з переливним клапаном (VMP). Він використовується для блокування руху штока поршня приводу в одному напрямку. Рух приводу в протилежному напрямку не забезпечується. Це забезпечить стабілізацію положення штока поршня в той момент, коли ми не керуємо розподільником, а на привід діють великі сили.
блок клапана перестає працювати, коли ми починаємо керувати гідравлічним розподільником або коли сили, що діють на привід, занадто великі і, отже, перевищено тиск, встановлений на клапані.
особливо рекомендується для високонавантажених приводів, що дають зворотний тиск в напрямку клапана і працюють серіями з великою кількістю рухів. Рекомендується для використання, якщо клапани типу OVERCENTER не працюють належним чином, наприклад, викликають стрибок приводу.
клапан може використовуватися в якості гальма і блокування обертання гідравлічного двигуна. У той момент, коли ми перестаємо керувати двигуном, клапан, не піддаючи двигун і розподільник пошкоджень, поступово загальмує двигун, а потім захищає його від вільного обертання. Клапан здатний гальмувати і забезпечувати тільки один напрямок обертання.е>
