виробництво:
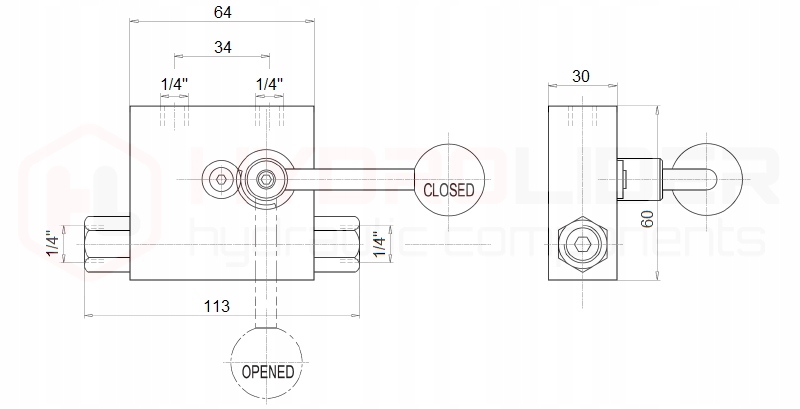
оригінальний італійський продукт марки Oleodinamica Marchesini, символ: vbpde c/RUB 1/4"; 1.35.17.007
застосування:
має широке застосування в гідравлічних системах у сільському господарстві, садівництві, лісовому господарстві, будівництві та широкій промисловості.
принцип роботи:
зворотний клапан з подвійним управлінням інакше "замок" використовується для блокування руху штока приводу в обох напрямках. Забезпечує стабілізацію положення штока поршня в той момент, коли ми не управляємо розподільником, а на привід діють великі сили. Блокування клапана перестає працювати, коли ми починаємо керувати гідравлічним розподільником.
підключення:
підключіть V1 і V2 до ліній живлення, наприклад секцій в гідравлічному розподільнику. Підключіть C1 і C2 до приймача, наприклад, до приводу подвійної дії.
потік від V1 до C1 і від V2 до C2 повністю блокується, коли тиск на V1 і V2 не працює. Потік від V1 до C1 і від V2 до C2 відкривається, коли на V1 або V2 діє тиск.е>
