виробництво:
оригінальний продукт марки Atos, символ: 1.10.64.230
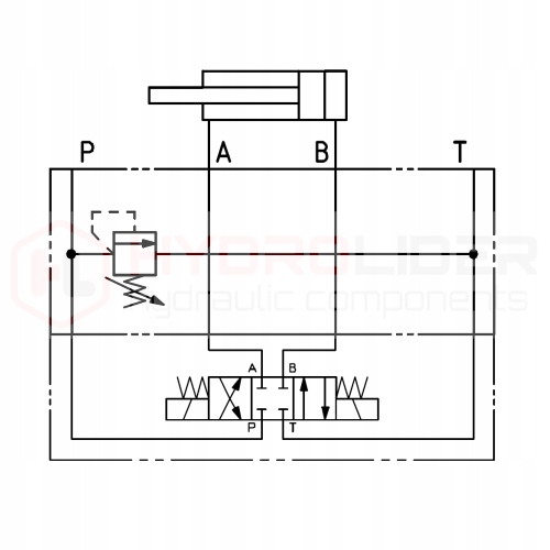
застосування:
переливний клапан прямої дії. Регулювання тиску здійснюється шляхом ослаблення контргайки і повороту болта, закріпленого кришкою. Обертання за годинниковою стрілкою збільшує тиск.
підключення:
підключіть P до лінії живлення і t до приймача або резервуару.е>
