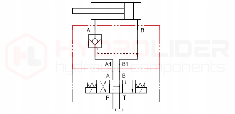
зворотний клапан, керований "замком" підходить для розподільників CETOP 03 NG6
виробництво:
оригінальний продукт марки Atos, символ: 1.10.64.211
застосування:
дросельний клапан із зворотним клапаном, який забезпечує вільний потік в обох напрямках.
зворотний клапан з подвійним управлінням інакше "замок" використовується для блокування руху штока поршня приводу в одну сторону. Забезпечує стабілізацію положення штока поршня в той момент, коли ми не керуємо розподільником, а на привід діє велика сила. Клапан перестає працювати, як тільки ми починаємо керувати гідравлічним розподільником.
підключення:
підключіть P до лінії живлення і t до приймача або резервуару.е>
