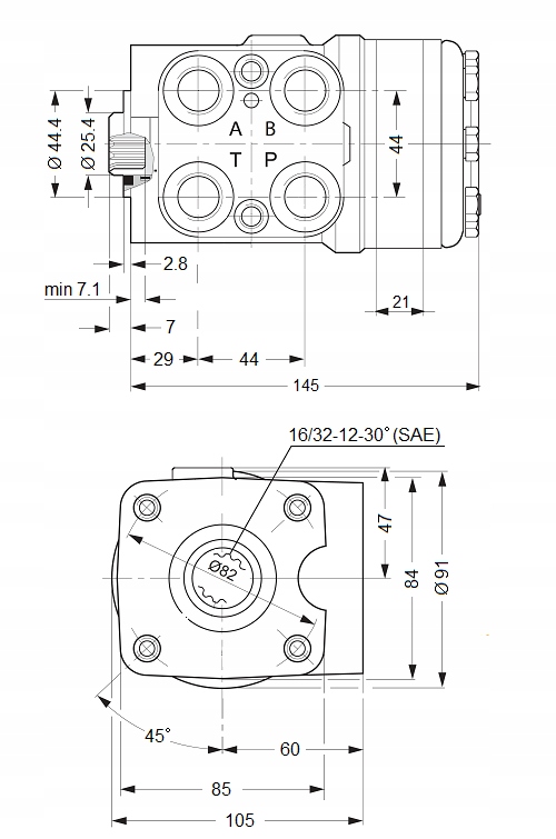
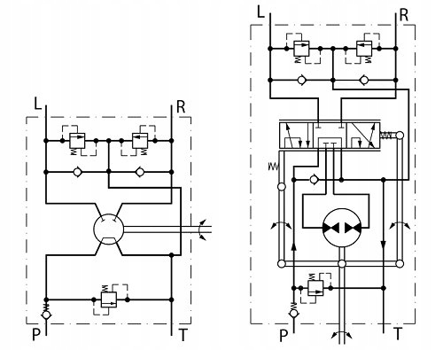
оригінальний ORBITROL HYDROLIDER OSPC 160 ONв комплекті з валом 40 мм і з'єднаннями
виробництво:
оригінальний продукт марки Hydrolider, символ: 1.06.00.165
порівняльні номери інших виробників:
OSPC-160-ON; OSPC160ON; 150n2153
застосування:
має широке застосування в системах рульового керування в промислових машинах і транспортних засобах, що використовуються в транспорті, сільському господарстві, садівництві, лісовому господарстві, будівництві та промисловості.
Orbitrol OSPC 160 він призначений для гідравлічного управління рульовим управлінням в сільськогосподарських тракторах, навантажувачах, екскаваторах, комбайнах і будівельній техніці і т. д.
застосування в тракторах:
URSUS: C-385, C-385A, 902, 912, 914, 1202, 1204, 1212, 1214
ZETOR: 8011, 8111, 8045, 8145
CASE IH: JX 55, 60, 65, 70, 75, 80, 85, 90, 95
NEW HOLLAND TD: 5040, 5050, 60D, 70D, 80D, 90D, 95D
