виробництво:
оригінальний продукт марки Hydrolider, символ: 1.06.06.100
порівняльні номери інших виробників:
OSPC-100-OR; OSPC100OR; 150N2159
застосування: < /P>
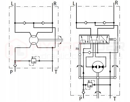
має широке застосування в системах рульового управління в промислових машинах і транспортних засобах, що використовуються в транспорті, сільському господарстві, садівництві, лісовому господарстві, будівництві та промисловості.
Orbitrol OSPC 100 or призначений для гідравлічного управління рульовим управлінням в сільськогосподарських тракторах, навантажувачах, екскаваторах, комбайнах і будівельній техніці і т.д.
використовується скрізь, де нерівності місцевості повинні бути відчутні на кермі, така вимога, наприклад, в садових тракторах, які їздять між крихкими призмами. Оператор, відчуваючи на кермі, що в'їжджає на призму, встигає скоротити траєкторію руху, не допускаючи знищення посівів.
Шановний клієнт, прочитайте це, перш ніж купити ORBITROL:
Orbitrol-це дуже точний і важливий для безпеки руху пристрій, на жаль, на ринку є багато дешевого товару з Китаю, який на перший погляд виглядає однаково, але мало точне виконання робить неможливим правильне водіння і роботу з Трактором. Ми не рекомендуємо найдешевші орбітроли з ненадійних джерел від продавців, які не мають досвіду продажу цих типів пристроїв.е>
