виробництво:
оригінальний продукт марки Badestnost, символ виробника: 1.10.00.024
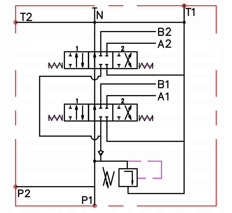
застосування:
має широке застосування в гідравлічних системах у будівництві, сільське господарство І промисловості.
спліттер підходить для різних видів машин, таких як: сільськогосподарська техніка, трактори, обприскувачі, повороти, циклопи, навантажувачі HDS, будівельна техніка, навантажувачі, екскаватори, підмітальні машини, промислові машини та інше обладнання з гідравлічним управлінням.
ТЕХНІЧНІ характеристики:
рекомендований витрата масла Системи: 0 - 40 л / хв приклад управління: два приводу 2-сторонньої дії.
можливість послідовного підключення до існуючої системи (потрібно напірна втулка).е>
