якість забезпечує граніт PARTS GERMANY
бренд: гранітні деталі Німеччина
артикул: 85099055
порівняльний номер: HBV-12L
технічні параметри:
для самообмеження подачі приводів односторонньої дії. У початковому положенні відкритий. Трос, закріплений на поршневому штоку і тримачі в напруженому положенні, запускає обмежувач, що призводить до переривання потоку . Поршневий шток залишається в цьому положенні. е>
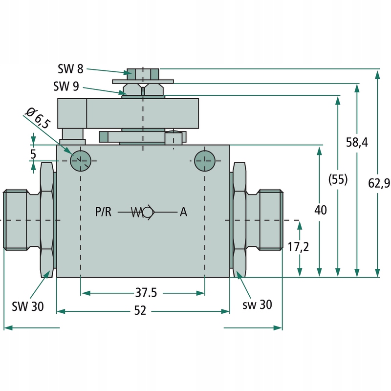
з'єднання BSP: 12 л (M18x1,5)
з'єднання: 12 л Робочий тиск: 350 бар
P Макс (бар): 350
q макс. (л / хв): 60
номінальна ширина: DN 10
