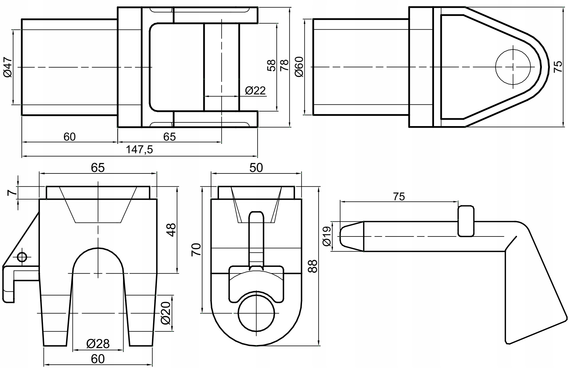
комплект 2x опори для перекидання + кулі FI 75 задній самоскид 8Tкод лома-мет: [7216]
може використовуватися в причепах, сільськогосподарських причепах, вантажних ящиках і самоскидних установках у вантажівках і фургонах вантажопідйомністю до 8 тонн.
комплект складається з:- 2 кульки для перекидання діаметром fi 75
- 2 вушка для перекидання з кронштейном і штифтом
