гідравлічний насос PWG C34643IND330R1GVS-S6
виробництво:
оригінальний продукт марки Hydrolider, символ: 1.40.14.34643.ІНДІЙ.1
застосування:
має широке застосування в гідравлічних системах в сільському господарстві, будівництві та промисловості.
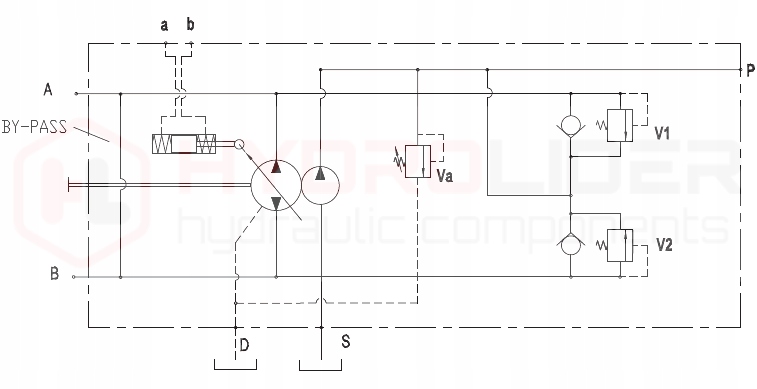
зміщення безперервно регулюється за допомогою похилого керуючого диска, а напрямок потоку масла оборотно. Насос додатково оснащений подаючим насосом.
Загальна інформація:
серія C3 являє собою сімейство осьових поршневих насосів зі змінною витратою, що використовуються в замкнутих контурах.
технічні характеристики:
- тип насоса: осьовий поршневий насос
- зміщення: 46-50-64 см3/об
- напрямок обертання: праворуч
- потужність живильного насоса: 13 см3/об
- максимальні обороти: 3600 об/хв
- мінімальні оберти: 700 об/хв
- /li>
- номінальний тиск: 320 бар
- максимальний тиск: 400 бар
- тиск завантаження: 15-25 (стандарт 22) бар
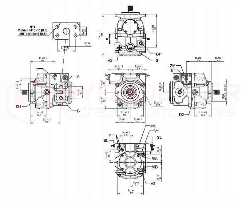
- максимальний внутрішній тиск (у корпусі): 2 бартиск всмоктування: ≥ 0,8 барпорты тиску: фланцеві SAE 6000 3/4"
порівняльні номери:
- c34643ind330r1gvs-S6, 21005015 < /li >
