1.07.00.051 - C-360 ПОПЕРЕЧНИЙ ЦИЛІНДР

1.07.00.051 - C-360 ПОПЕРЕЧНИЙ ЦИЛІНДР

Що Ви шукаєте?

1.07.00.051 - C-360 ПОПЕРЕЧНИЙ ЦИЛІНДР

В наявності
Код товару:
12485003351
16854,00 грн
Основні параметри
Докладніше
Стан Новий
Номер за каталогом 1.07.00.051
Опис
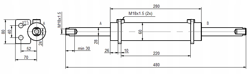
поперечний привід гідропідсилювачаз поршневим штоком з ходом 2X80 ммв комплекті наполегливі і Кульові шарніри

виробництво:

оригінальний продукт марки Hydrolider, символ: 1.07.00.051

застосування:

має широке застосування в гідравлічних системах гідропідсилювач керма в транспортних засобах, машинах і тракторах в сільському господарстві, будівництві та промисловості.

привід може використовуватися для пропрієтарних систем допомоги в малих і середніх тракторах m.in. з-330, з - 360, т-25, Зетор 5211-7211 і ін.< / п>

Шановний клієнт, прочитайте це перед тим, як вибрати постачальника приводу:

те, що ви бачите на зображенні, - це тільки металеві елементи, з яких виготовлений привід. Насправді привід коштує стільки ж, скільки внутрішні ущільнення, які використовуються для його будівництва. Ми гарантуємо, що всі наші приводи мають посилені ущільнення, які не виробляються в Китаї та інших країнах Далекого Сходу. Якщо ви хочете якості і довговічності, виберіть приводи марки Hydrolider, які є єдиними гарантією надійності на роки.

привід з подвійним поршневим штоком, що висувається на дві сторони, встановлюється безпосередньо на передню вісь. est-це сучасне рішення, що використовується в новітніх моделях машин топовими виробниками.

велика перевага поперечних приводів-стабільність руху і висока точність управління машиною. Поперечний привід забезпечує таку ж кількість обертів рульового колеса при повороті вправо і вліво.

розміри повного приводу з поршневим штоком в Центральному і крайньому положеннях:

загальна ширина повного приводу з шарнірами і з'єднувачами залежить від ступеня скручування окремих частин комплекту.

після максимального скручування вузлів мінімальна відстань між осями кінцевих штифтів кульових шарнірів становить 1010 мм Максимальна відстань при збереженні безпечного рівня скручування різьби становить 1110 мм.< / п>

Translated by AiTranslate api services.