0 261 - ДАТЧИК ТЕМПЕРАТУРИ ПАЛИВА BOSCH OPEL COMBO TOUR COMBO МІНІВЕН ZAFIRA

0 261 - ДАТЧИК ТЕМПЕРАТУРИ ПАЛИВА BOSCH OPEL COMBO TOUR COMBO МІНІВЕН ZAFIRA

Що Ви шукаєте?

0 261 - ДАТЧИК ТЕМПЕРАТУРИ ПАЛИВА BOSCH OPEL COMBO TOUR COMBO МІНІВЕН ZAFIRA

В наявності
Код товару:
15458498397
4241,00 грн
Основні параметри
Докладніше
Стан Новий
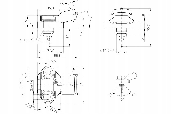
Номер за каталогом 0 261 230 249
Опис

Новинка, оригінальний товар від виробника Bosch!

ДАТЧИК ТЕМПЕРАТУРИ ПАЛИВА OPEL COMBO TOUR COMBO МІНІВЕН ZAFIRA B

BOSCH CZUJNIK TEMPERATURY PALIWA OPEL COMBO TOUR COMBO MINIVAN ZAFIRA

Датчик температури палива підходить: OPEL COMBO TOUR, COMBO/MINIVAN, ZAFIRA B, ZAFIRA B/MINIVAN, ZAFIRA C 1.6CNG 04/05- BOSCH

  • Стан продукту:  Новий
  • Кількість: 1
  • Оригінальний продукт високоякісний відомий виробник: Bosch
  • МИ ГАРАНТУЄМО ОРИГІНАЛЬНІСТЬ ПРОДУКТУ
  • Список сумісних транспортні засоби з додатковою інформацією про застосування певних деталей можна знайти на вкладці ПІДХОДИТЬ ТРАНСПОРТНІ СРЕДСТВА під параметрами.

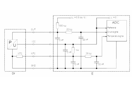
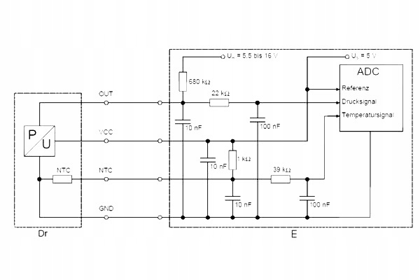
ТЕХНІЧНІ ДАНІ ПРОДУКТУ

  • Кількість: 1
  • Виробник:  Bosch
  • Діапазон температур від [°C]: -40
  • Діапазон температур до [°C]: 130
  • Оригінальний номер каталогу:  MAN 51 27421 0322, OPEL 17 89 362

Список автомобілів, в яких використовувалася деталь:

  • Opel COMBO Full body/minivan 1.6 CNG 16V (Z 16 YNG) 1598ccm 94KM/69kW 2006/06-, деталі застосування: Рік виробництва. до: 2011/01
  • Opel COMBO Full body/minivan 1.6 CNG 16V (Z 16 YNG) 1598ccm 97KM/71kW 2005/04-, деталі застосування: Код двигуна: Y 16 YNG, Рік випуску до: 2006/05
  • Opel COMBO Tour 1.6 CNG (Z 16 YNG) 1598ccm 94KM/69kW 2006/06-2011/12, деталі застосування: Рік виробництва. до: 2011/01
  • Opel COMBO Tour 1.6 CNG (Z 16 YNG) 1598ccm 97KM/71kW 2005/04-2011/01, деталі застосування: Код двигуна: Y 16 YNG , Рік випуску до: 2006/05
  • Opel ZAFIRA / ZAFIRA FAMILY B (A05) 1.6 CNG Turbo (M75) (A 16 XNT Z 16 XNT) 1598ccm 150KM/110kW 2010/04-2015/04 , деталі застосування: Код двигуна: A 16 XNT, Рік випуску. з: 2010/07
  • Opel ZAFIRA B Full body/minivan (A05) 1.6 CNG Turbo VAN (M75) (A 16 XNT Z 16 XNT) 1598ccm 150KM/110kW 2009/02-2015 /04, деталі застосування: Код двигуна: A 16 XNT, Рік випуску. з: 2010/07
  • Opel ZAFIRA TOURER C (P12) 1.6 CNG (75) (A 16 XNT B 16 XNT) 1598ccm 150KM/110kW 2011/10-, деталі застосування: Рік випуску з: 2012/01, Рік випуску до: 2019/12

BOSCH Automotive Aftermarket

Це не просто назва, а гарантія якості та надійності. Відділ Bosch, який протягом багатьох років спеціалізується на постачанні автозапчастин і аксесуарів найвищого класу. Завдяки цьому водії по всьому світу можуть насолоджуватися безпечним і комфортним водінням.

Історія та якість

Понад 95 років компанія Bosch була піонером автомобільних інновацій. Особливо в галузі гальм компанія зосереджується на технічному прогресі з самого початку, щоб забезпечити водіїв більшою безпекою та комфортом гальмування. Саме довіра створює бренд і перетворюється на задоволення клієнтів.

Широка пропозиція

Bosch пропонує не лише запасні частини, а й сучасні рішення, такі як ультразвукові датчики 6-го покоління, які полегшують безпечне паркування та маневрування. Для тих, хто шукає інновацій, Bosch представляє комбіновані гальмівні диски – легкі та призначені для моделей Mercedes-Benz.

Каталог продукції

Bosch гарантує, що ваш автомобіль завжди буде готовий до руху, і допоможе знайти потрібні запчастини. Відкрийте для себе різноманітність асортименту та знайдіть ту частину, яка відповідає вашим потребам. Від гальм до датчиків і гальмівних дисків – кожен продукт є результатом багаторічного досвіду та інновацій.

Підводячи підсумок, вибираючи продукцію BOSCH , ви обираєте якість, інновації та довіру, яка була створена роками. Це інвестиція в безпеку, комфорт і задоволення від водіння. Надійність, точність і передові технології – це ті риси, які відрізняють продукцію Bosch від конкурентів. Не чекайте, відчуйте різницю з Bosch і забезпечте найвищий рівень свого автомобіля!

BOSCH CZUJNIK TEMPERATURY PALIWA OPEL COMBO TOUR COMBO MINIVAN ZAFIRA Producent części Bosch
BOSCH CZUJNIK TEMPERATURY PALIWA OPEL COMBO TOUR COMBO MINIVAN ZAFIRA Numer katalogowy części 0 261 230 249
BOSCH CZUJNIK TEMPERATURY PALIWA OPEL COMBO TOUR COMBO MINIVAN ZAFIRA Typ samochodu Samochody dostawcze
BOSCH CZUJNIK TEMPERATURY PALIWA OPEL COMBO TOUR COMBO MINIVAN ZAFIRA Typ silnika Brak informacji
BOSCH CZUJNIK TEMPERATURY PALIWA OPEL COMBO TOUR COMBO MINIVAN ZAFIRA Jakość części (zgodnie z GVO) Q - oryginał z logo producenta części (OEM, OES)
BOSCH CZUJNIK TEMPERATURY PALIWA OPEL COMBO TOUR COMBO MINIVAN ZAFIRA Numer katalogowy oryginału MAN 51 27421 0322 OPEL 17 89 362
BOSCH CZUJNIK TEMPERATURY PALIWA OPEL COMBO TOUR COMBO MINIVAN ZAFIRA Numery katalogowe zamienników AUTOTEAM L4458 BOSCH 0 261 230 145 DIPASPORT INJS150N FISPA 84.458 HOFFER 7472523
BOSCH CZUJNIK TEMPERATURY PALIWA OPEL COMBO TOUR COMBO MINIVAN ZAFIRA Waga produktu z opakowaniem jednostkowym 5 kg

iMOTOTECH_Code: BOS, 0 261 230 249 | 139031102 | 4047024512481

Scroll To Top