Молоток атлас Копко SB300 sb302 мембрана батареи

Молоток атлас Копко SB300 sb302 мембрана батареи

Что вы ищете?

Молоток атлас Копко SB300 sb302 мембрана батареи

В наличии
Код товара:
8680602106
9969,00 ₴
Основные параметры
Дополнительная информация
Состояние Новый
Номер детали SB302
Описание
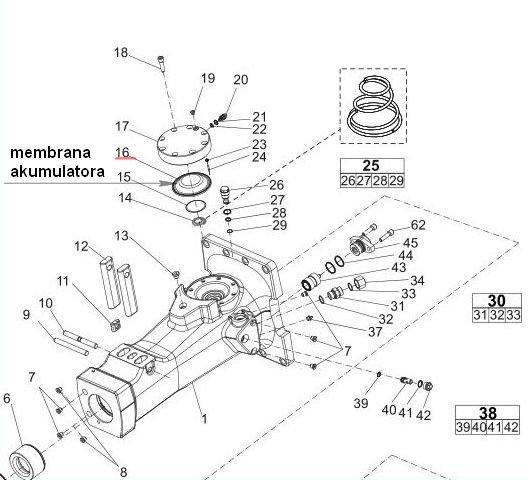
Мембрана аккумулятора для подключения гидромолотаAtlas Copco SB300/SB302
Mlot Atlas Copco SB300 SB302 membrana akumulatora Machine type Excavator Backhoe loader
Молот Atlas Copco SB300/SB302
  • номер 16 на схеме
  • номер детали: 3315-2350-00

На заказ: время ожидания-7 дней

Mlot Atlas Copco SB300 SB302 membrana akumulatora
Scroll To Top