сравнительные номера других производителей:
OSPC-200-LS ; OSPC200LS; 150-1234
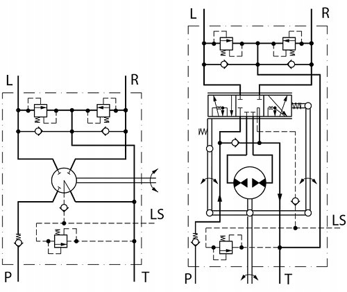
применение:
имеет широкое применение в системах рулевого управления промышленного оборудования и транспортных средств, используемых в транспорте, сельском хозяйстве, садоводстве, лесном хозяйстве, строительстве и промышленности .
Orbitrol OSPC 200 LS предназначен для гидравлического управления рулевым управлением в сельскохозяйственных тракторах,вилочных погрузчиках, экскаваторах, комбайнах и строительной технике, в которых насос оснащен датчиком LS.
преимущества наших орбитролей:
- специальная, усиленная и более точная конструкция обеспечивает идеальную работу без утечек,без рывков рулевого колеса и, самое главное, очень легкое и плавное управление даже в очень загруженных транспортных средствах.
- мы также предоставляем полную техническую поддержку при выборе подходящего орбитрола и при сборке.
- рулевое управление даже при отказе трактора или насоса эта функция очень полезна в чрезвычайных ситуациях, например, при буксировке.
