оригинальный ORBITROL HYDROLIDER OSPC 160 ONв комплекте с валом 320 мм и соединениями
производство:
оригинальный продукт марки Hydrolider, символ: 1.06.00.167
сравнительные номера других производителей:
OSPC-160-ON; OSPC160ON; 150n2153
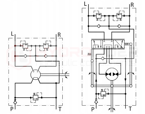
применение:
имеет широкое применение в системах рулевого управления в промышленных машинах и транспортных средствах, используемых в транспорте, сельском хозяйстве, садоводстве, лесном хозяйстве, строительстве и промышленности.
Orbitrol OSPC 160 он предназначен для гидравлического управления рулевым управлением в сельскохозяйственных тракторах, вилочных погрузчиках, экскаваторах, комбайнах и строительной технике и т. д.
применение в тракторах:
URSUS: C-385, C-385A, 902, 912, 914, 1202, 1204, 1212, 1214
ZETOR: 8011, 8111, 8045, 8145
CASE IH: JX 55, 60, 65, 70, 75, 80, 85, 90, 95
NEW HOLLAND TD: 5040, 5050, 60D, 70D, 80D, 90D, 95d
