производство:
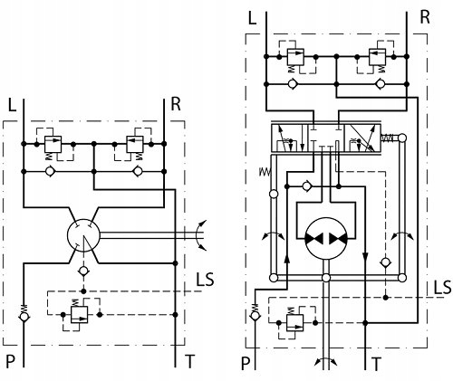
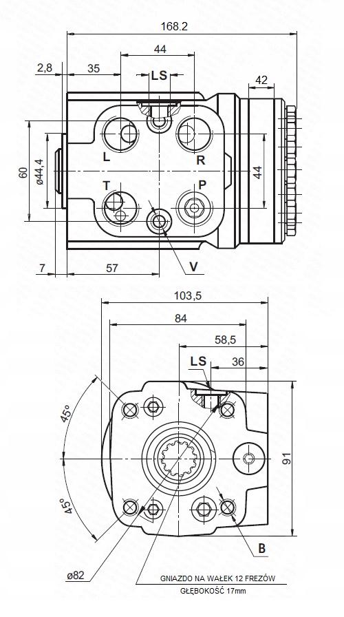
оригинальный продукт марки M+S Hydraulic, символ: HKUS320/5T
сравнительные номера других производителей:
OSPC-315-LS; OSPC315LS; 150-1235; HKUS320/5T
применение:
имеет широкое применение в системах рулевого управления в промышленных машинах и транспортных средствах, используемых в транспорте, сельском хозяйстве, садоводстве, лесном хозяйстве, строительстве и промышленности.
Orbitrol OSPC 315 LS предназначен для гидравлического управления рулевым управлением в сельскохозяйственных тракторах, вилочных погрузчиках, экскаваторах, комбайнах и строительной технике, в которых насос оснащен датчиком LS.
Уважаемый клиент, прочитайте это, прежде чем купить ORBITROL:
Orbitrol-это очень точное и важное для безопасности движения устройство, к сожалению, на рынке есть много дешевого товара из Китая, который на первый взгляд выглядит одинаково, но мало точное исполнение делает невозможным правильное вождение и работу с Трактором. Мы не рекомендуем самые дешевые орбитролы из ненадежных источников от продавцов, которые не имеют опыта продажи этих типов устройств.п>
