1.06.10.130 - ORBITROL 125 ON 150N2152 + вал 40мм + соединения

1.06.10.130 - ORBITROL 125 ON 150N2152 + вал 40мм + соединения

Что вы ищете?

1.06.10.130 - ORBITROL 125 ON 150N2152 + вал 40мм + соединения

В наличии
Код товара:
11331670064
8501,00 ₴
Основные параметры
Дополнительная информация
Состояние Новый
Номер детали 1.06.10.130
Описание
оригинальный ORBITROL HYDROLIDEROSPC 125 ON в комплекте с валом40 мм и соединениями

производство:

оригинальный продукт марки Hydrolider, символ: 1.06.10.130

сравнительные номера других производителей:

OSPC-125-ON; ospc125on; 150n2152

применение:

имеет широкое применение в системах рулевого управления в промышленных машинах и транспортных средствах, используемых в транспорте, сельском хозяйстве, садоводстве, лесном хозяйстве, строительстве и промышленности.

Orbitrol OSPC 125 он предназначен для гидравлического управления рулевым управлением в сельскохозяйственных тракторах, вилочных погрузчиках, экскаваторах, комбайнах и строительной технике и т. д.

Уважаемый клиент, прочитайте это, прежде чем купить ORBITROL:

Orbitrol-это очень точное и важное для безопасности движения устройство, к сожалению, на рынке есть много дешевого товара из Китая, который на первый взгляд выглядит одинаково, но мало точное исполнение препятствует правильному вождению и работе с Трактором. Мы не рекомендуем самые дешевые орбитролы из ненадежных источников от продавцов, которые не имеют опыта продажи этих типов устройств.

технические характеристики orbitrol:

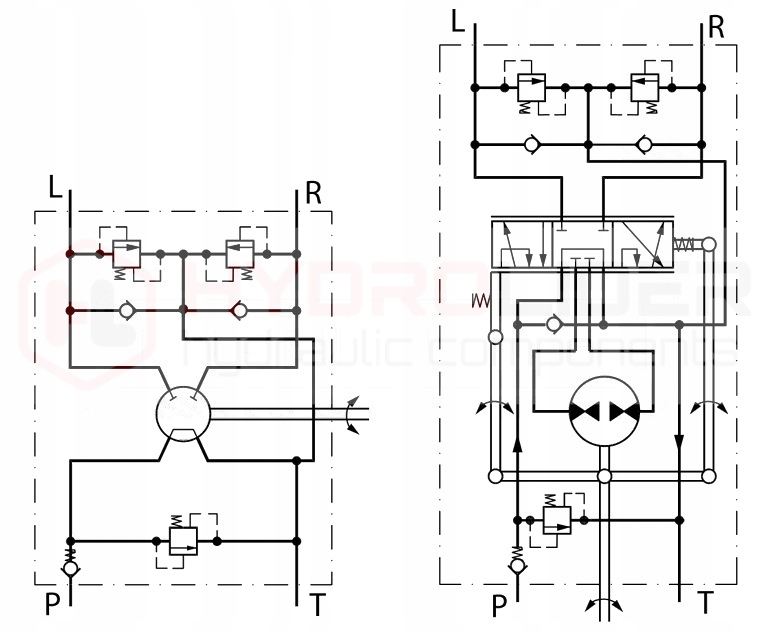
Orbitrol 125 с системой ON (OPEN NORMALLY), в то время как рулевое колесо стоит масло все время циркулирует в системе и свободно проходит через orbitrol, возвратную линию до резервуара, насос тогда работает, но разгружается.

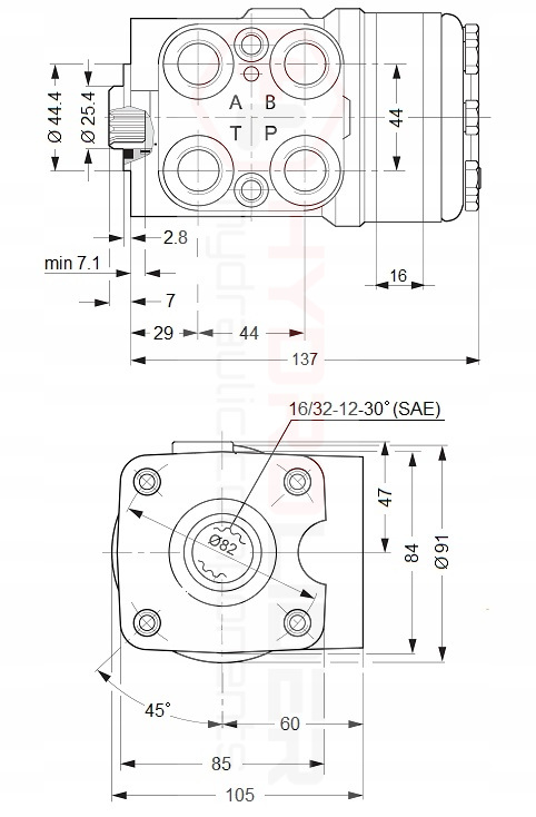
  • соединения: P, T, A, B выходная резьба: M18x1.5
  • крепление рулевой колонки: 4X винт M10 - 16mm
  • установка клапанов: переливной 160bar, ударный 240bar
  • геометрический объем: 125cm3/об.
  • рекомендуемый расход масла в системе: от 10 до 14 л/мин.
  • материал: чугун

технические характеристики ролика:

  • количество фрезерованных наконечников со стороны орбитрола: 12
  • ширина фрезерованного наконечника: 20,10 мм
  • общая длина ролика: 40 мм
  • ширина гладкого наконечника: 24,85 мм

рисунок с полными размеры (фото).):

преимущества орбитролей производства Hydrolider:

  • специальная, усиленная и более точная конструкция обеспечивает идеальную работу без утечек, без рывков рулевого колеса и, самое главное, очень легкое и плавное управление даже в очень загруженных транспортных средствах.
  • каждый орбитрол, отправляемый вместе с инструкцией по подключению гидравлических линий, мы также предоставляем полную техническую поддержку при выборе подходящего орбитрола и при сборке.
  • произведенный в Европе, полученный из определенного источника, проверенный товар от определенного производителя.
  • рулевое управление даже при отказе трактора или насоса эта функция очень полезна в чрезвычайных ситуациях, например, во время буксировки.

гидравлическая схема orbitrola OSPC ON (рис.):

на других аукционах у нас есть ряд аксессуаров для наших орбитролей: