с двумя секциями плунжера
применение:
имеет широкое применение в гидравлических системах в сельском хозяйстве, садоводстве, лесном хозяйстве, строительстве и широкой промышленности.
сплиттер подходит для различных видов машин, таких как: сельскохозяйственная техника, тракторы, опрыскиватели, повороты, циклопы, погрузчики HDS, строительная техника, погрузчики, экскаваторы, подметальные машины, промышленные машины и другое оборудование с гидравлическим управлением.
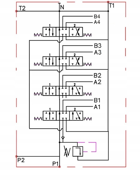
плунжерная секция специально приспособлена для управления цилиндрами одностороннего действия.
во второе отверстие на секции ввинчивается заводская металлическая пробка. Здесь нет необходимости выводить дополнительный перевод. Односторонний цилиндр свободно опускается и не блокирует поток масла, выходящий из насоса в это время.
плунжерная секция очень полезна в фронтальных погрузчиках TUR с односторонними приводами для подъема основной рамы.п>
