гидравлический цилиндр двойного действия
в комплекте с предохранительным клапаном "замок"
производство:
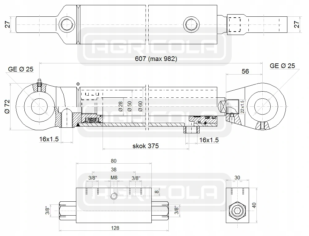
оригинальный продукт марки Hydrolider, символ производителя: 1.33.00.228; CJ2F 50/28/375 U25
применение привода:
имеет широкое применение в гидравлических системах сельского хозяйства, садоводства, лесного хозяйства, строительства и широкой промышленности.
привод подходит для различных видов сельскохозяйственной техники, таких как: захваты тюков, крокодилы, повороты, а также снегоочистители, опрыскиватели, циклопы, погрузчики HDS, строительная техника, погрузчики, экскаваторы, подметальные машины, промышленные машины и другое оборудование с гидравлическим управлением.
применение предохранительного клапана:
предохранительный клапан (замок) используется для блокировки движения привода в обоих направлениях. Обеспечивает стабилизацию положения штока поршня в тот момент, когда мы не контролируем привод, и в то же время на него действуют большие силы. Блокировка клапана перестает работать автоматически, когда мы начинаем управлять гидравлическим распределителем и отпускаем давление в направлении привода.п>
