гидравлический агрегат 24 в 3,0 кВткод среза MET: [0272]
производитель: SM-G (SKRAW Met GROUP)
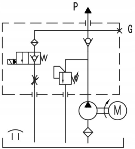
позволяет управлять приводом одностороннего действия.
под давлением привод выдвигается, а втягивается с помощью гравитационных сил и поднимаемого веса.
Чиллер завершен и готов к работе, просто подключите провода и залейте маслом. Рекомендуется непрерывная работа не более 3 минут, перезапуск после 5 минут отдыха.п>
