гидравлический агрегат 12 В 2,0 кВт с беспроводным пультом дистанционного управлениякод среза MET: [8044]
производитель: SM-G (SKRAW Met GROUP)
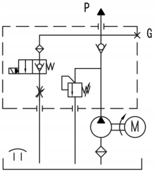
позволяет управлять приводом одностороннего действия.
под давлением привод выдвигается, а втягивается с помощью гравитационных сил и поднимаемого веса.
Чиллер завершен и готов к работе, просто подключите провода и залейте маслом. Рекомендуется непрерывная работа не более 3 минут, перезапуск после 5 минут отдыха.
применение:агрегат идеально подходит для электрических машин и устройств.
может использоваться в сельском хозяйстве, садоводстве, лесном хозяйстве или строительстве.
адаптирован для работы при разгрузке грузового ящика в прицепах, самосвалах, гидропаках, породах, подъемниках, погрузочных платформах, автоподъемниках, кранах, сельскохозяйственной и промышленной технике.п>
