описание продукта:
Wurth передний подъемник Kinvaro F-20
описаниесо встроенным и регулируемым торможением п>
идеальный дизайн для кухни, гостиной и офисной мебели
безопасное удержание фронта в положении открытия в любом положении от 45°
возможность установки дополнительных модулей выше
отсутствие необходимости в обслуживании
для фасадов из разных материалов и разной массы, например, из дерева, МДФ, стекла с широкими алюминиевыми или деревянными рамами
удобно открывать и закрывать тяжелые фасады благодаря открывающейся пружине
возможность регулировки ограничителя открытия до 90°
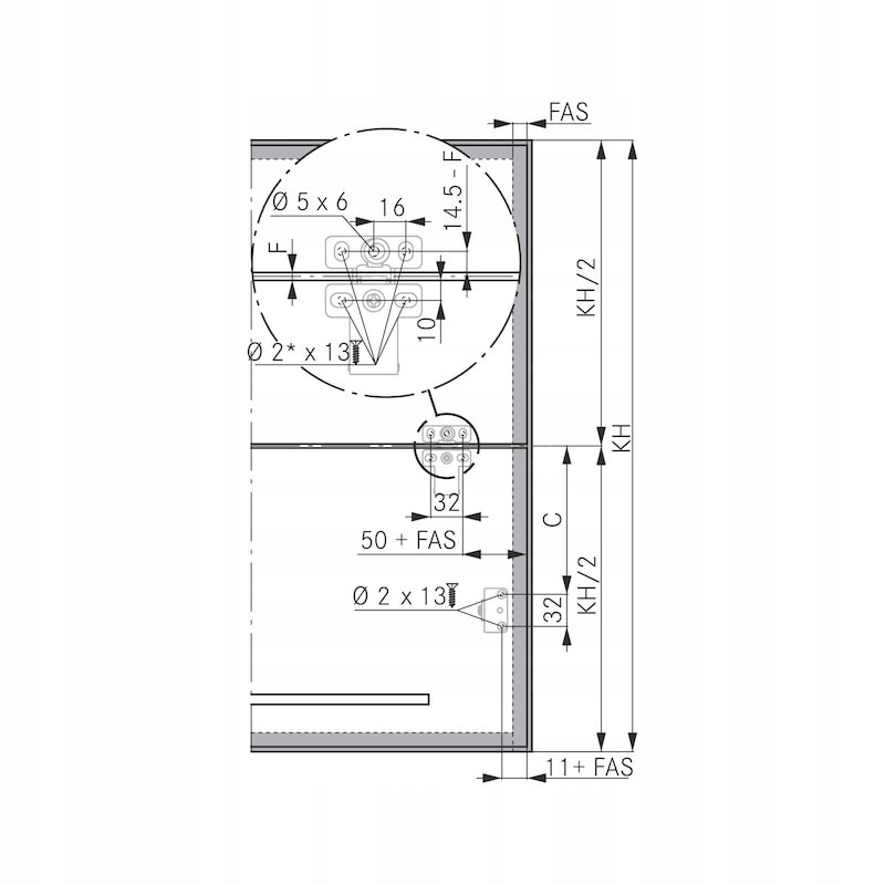
предварительно закрепленные винты евро для крепления на боковой панели
размеры фасадов:
- ширина: 450-1200 мм
- Высота: 520-800 мм
объем поставки:
- 1 x левое и правое крепление
- 2 x винтовой кронштейн для шкафа с заглушками
- 1 x левое и правое крепление серого цвета, аналогичного RAL 7045
- 2 x соединительный шарнир
- 1 x бумажный шаблон
- 1 x руководство по установке
указанные размеры не являются обязательными. Возможны технические изменения!п> применение
область применения
для верхних шкафов с одинаково разделенными фасадами
техническая информация- бренд: Würth
- номер детали: F152145238
- блок: < /B > шт.
- упаковка: 1 шт.
- материал: сталь
- покрытие: никелированное < /li >
