сравнительные номера других производителей:
OSPB-80-CN; OSPB80CN; 150-0126
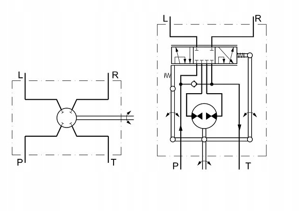
применение:
имеет широкое применение в системах рулевого управления промышленного оборудования и транспортных средств, используемых в транспорте, сельском хозяйстве, садоводстве, лесном хозяйстве, строительстве и промышленности.
Orbitrol OSPB 80 CN предназначен для гидравлического управления рулевым управлением в сельскохозяйственных тракторах, вилочных погрузчиках, экскаваторах, комбайнах и строительной технике и т. д.п>
