оси на резиновых торсионных валах не требуют дополнительной пружины.
данные осей с резиновыми валами:
- тип оси VG-7
- корпус оси с горячим цинкованием
- грунтованная ступица
- допустимая / максимальная нагрузка на ось: 750 кг
- расстояние между крепежными отверстиями на ступице: 5x112
- тип подшипника: компактный двухрядный 34/64/37 мм
- в комплекте винты для крепления колес
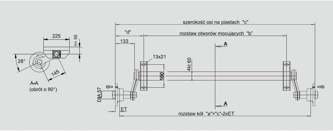
расстояние между крепежными отверстиями к раме: 1180 мм. Расстояние от ступицы до ступицы: 1560 мм.
модель : NH-K814
