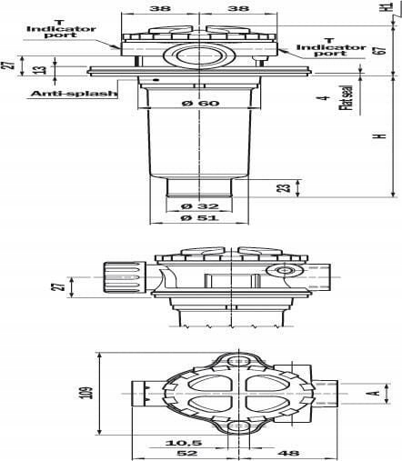
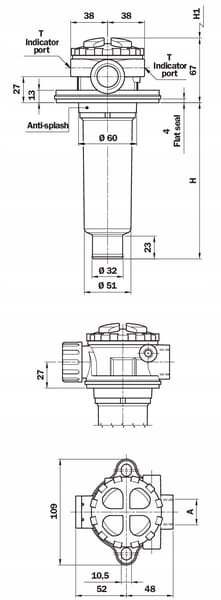
параметры
- номер детали: MPT90252
- блок: шт
- производитель: MP Filtri
- фильтрованная среда: гидравлическое масло
- обход: нет
- Высота: 163 мм
- внешний диаметр: 60 мм
- поток: зависит от фильтрующего элемента
- информация: с вентиляционным отверстием
- H: 163 мм
- материал элемента: +not included
- рабочее давление макс.: 7 бар
- A (BSP): G 1/2 " BSP
- материал прокладки < /B>: NBR
- соответствует оригинальному номеру < /B>: MPT0252CAG2P01
- температура : 40
