добро пожаловать на покупку ГЕРОТОРНЫХ двигателей от M + S Hydraulic.
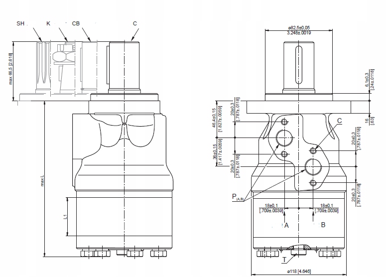
В этом списке мы предлагаем двигатель MH 400 SH, гидравлический двигатель легкой серии.
работа двигателя:
героторные гидравлические двигатели преобразуют энергию жидкости под давлением в механическую энергию. они получают высокий крутящий момент на малых скоростях. Механизм эффективен благодаря инновационной конструкции внутренних компонентов деталей двигателя. Имеется специальная зубчатая передача, элементы которой выполняют роль плавучести жидкости, плотно отделяя пространство высокого давления от пространства низкого давления.п>
количество энергии, генерируемой гидравлическим двигателем, зависит от двух факторов:
<улей>гидравлические героторные двигатели производства M + S Hydraulic, которые мы предлагаем, демонстрируют надежную работу как при низких, средних, так и при высоких нагрузках.
двигатели изготовлены из прочных материалов, а их конструкция позволяет легко монтировать в гидравлическую систему.п>
гидравлические двигатели имеют марганцевую фосфатизацию в стандартной комплектации.п>
