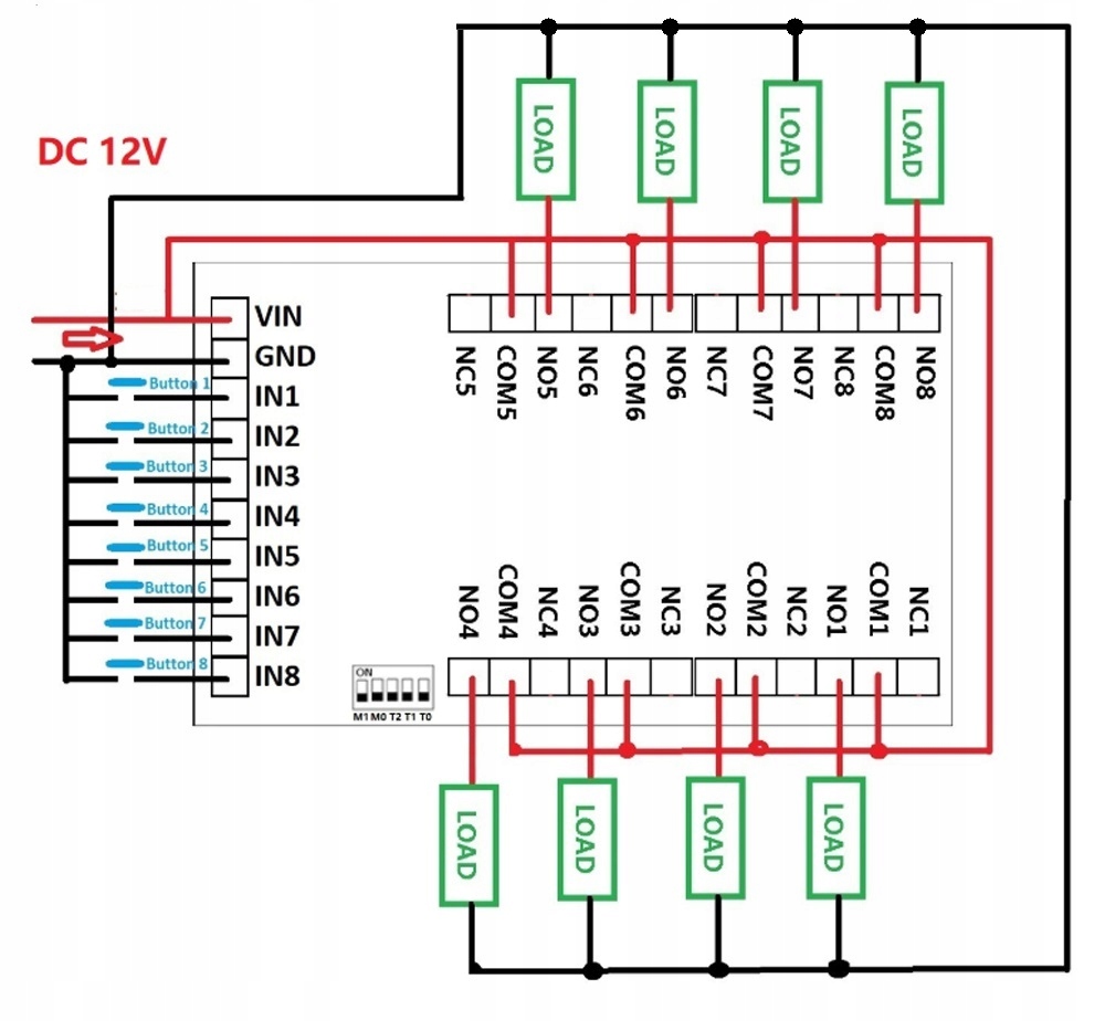
бистабильное реле с защелкой 12V 10A 8 каналов
многофункциональное устройство, которое имеет несколько режимов работы:
- мгновенное реле
- бистабильное реле(бистабильное реле с защелкой).
- последовательный
режимы работы выбираются соответствующей настройкойDip коммутатора ( последняя фотография аукциона).
бистабильная работа означает, что он имеет два возможных режима работы реле: вкл или выкл.
переключение между режимами включения / выключения осуществляется путем однократной подачи сигнала на разъем соответствующего канала.
при включении реле загорается красный светодиод.
в нашем распоряжении 8 каналов, отделенных от напряжения питания с переключаемым контактом (COM, NO, NC).
управление со стороны заземления (GND).
устройство питается от напряжения 12VDC.п>
