A1.40.94.06.4545 - ДВА РУЧНЫХ НАСОСА 2XPRB45 RPD6 BADESTNOST

A1.40.94.06.4545 - ДВА РУЧНЫХ НАСОСА 2XPRB45 RPD6 BADESTNOST

Что вы ищете?

A1.40.94.06.4545 - ДВА РУЧНЫХ НАСОСА 2XPRB45 RPD6 BADESTNOST

В наличии
Код товара:
12982652344
17602,00 ₴
Основные параметры
Дополнительная информация
Состояние Новый
Номер детали A1.40.94.06.4545
Описание
два ручных гидравлических насосаустановлены на одном резервуаре
  • односторонний насос 45CM3
  • односторонний насос 45CM3
  • бак 6L

производство:

оригинальный продукт марки Badestnost, символ: 1.40.94.06.4545

применение:

устройство имеет широкое применение в гидравлических системах в сельском хозяйстве, строительстве и промышленности.

универсальное применение:

  • в мобильных системах на транспортных средствах, эвакуаторах и самосвалах в качестве основных или аварийных насосов
  • в стационарных устройствах, прессах, гибочных машинах и других цеховых машинах
  • в любых гидравлических системах по авторским проектам.

пример применения: два, работающие отдельно, приводы одностороннего действия.

насосы отлично работают со всеми односторонними приводами Badestnost из нашего предложения.

технические характеристики насосов:

из каждого насоса выходит один масляный патрубок, позволяющий подключить привод одностороннего действия. В односторонних приводах возвратную функцию штока поршня выполняет пружина или масса поднимаемого материала, возврат штока поршня возможен только после освобождения сливного клапана в насосе.

  • двухтактный насос, то есть одновременно перекачивает и всасывает.
  • масло постоянно прессуется при движениях рычагом вверх и вниз.
  • геометрическая вместимость каждого насоса: 45 см3 за цикл
  • максимальное давление на обоих насосах: 320 бар
  • общий вес одного насоса: 3,75 кг
  • подключение проводов: наружная резьба BSP 3/8 "

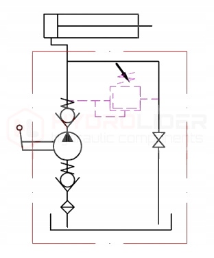
гидравлическая схема ручного насоса одностороннего действия (фото)):

технические характеристики резервуара:

резервуар с порошковым покрытием объемом 6 литров изготовлен из высококачественной стали на профессиональной производственной линии. Проверено на герметичность и прочность. Вес: 3,20 кг

в комплект входят: бак, два насоса, рычаги, уплотнения, комплекты болтов и шланги с фильтром:

в интересах безопасности и качества транспортировки комплект отправляется в не завинчиваемом состоянии.