состав комплекта:
- 3-фазный двигатель
- лапы для крепления двигателя
- шестеренчатый насос
- колокольчик
- кулачковая муфта
производство:
оригинальный продукт марки hydrolider, символ: 1.40.50.307
применение:
имеет широкое применение в гидравлических системах в сельском хозяйстве, садоводстве, лесном хозяйстве, строительстве и широкой промышленности.
двигатель с насосом общего назначения, подходит для непрерывной работы.
технические характеристики комплекта:
- производительность насоса в комплекте: постоянная 30 л/мин
- максимальное давление в комплекте: 20 МПа
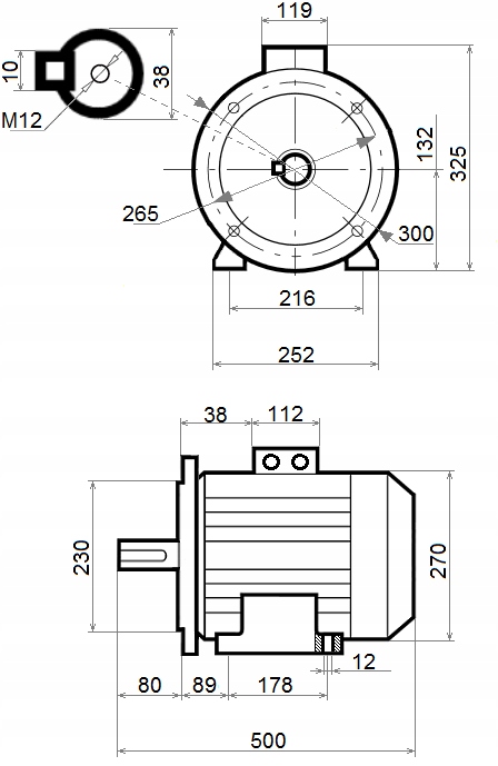
- общая длина комплекта: 72 см
- общая высота комплекта: 32,5 см
- общая ширина комплекта: 30 см
