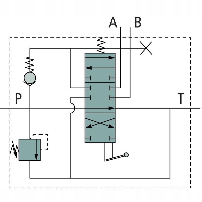
клапан P120 1x DW (a-b закрыто / пружина с
качество обеспечивает гранит PARTS GERMANY
бренд: гранитные детали Германия
артикул: 87001050
сравнительный номер: P120 a1gkz1-11
технические параметры:
B (мм): 160
функция-поршень управления: 1 X DW
версия: 4/3-way, 1 x f. двойного действия (A-B закрытая / возвратная пружина
C (мм): 64
соединение P-T-N: 1 "
соединение A-B: 1 "
a (мм): 129
