качество обеспечивает гранит PARTS GERMANY
бренд: гранитные детали Германия
артикул: 87000940
сравнительный номер: P80 A1 GKZ1
технические параметры:
B (мм): 80
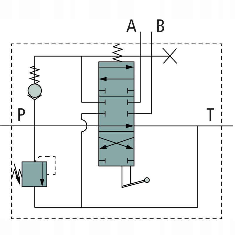
функция-поршень управления: 1 x dw
версия: 4/3-way, 1 х двойного действия (A-B закрыто, возвратная пружина)
C (мм): 107
D (мм): 65
соединение T( BSP): 3/4 "
A (мм): 65
соединение P( BSP): 1/2 "
соединение A-B( BSP): 1/2 "
