качество обеспечивает гранит PARTS GERMANY
бренд: гранитные детали Германия
артикул: 87000929
сравнительный номер:
технические параметры:
B (мм): 80
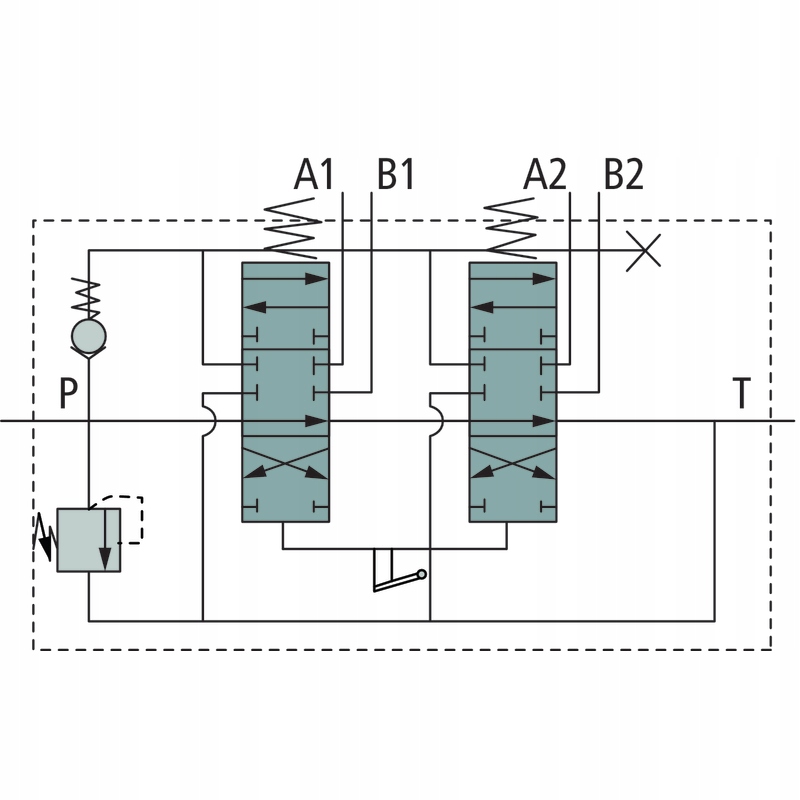
функция-поршень управления: 2 x DW
версия: 4/3-полосная, 2 x двойного действия, с собранным рычагом
C (мм): 129
D (мм): 97
соединение P-T-N: 1/2 "
соединение A-B: 3/8 "
A (мм): 60
