качество обеспечивает гранит PARTS GERMANY
бренд: Walvoil
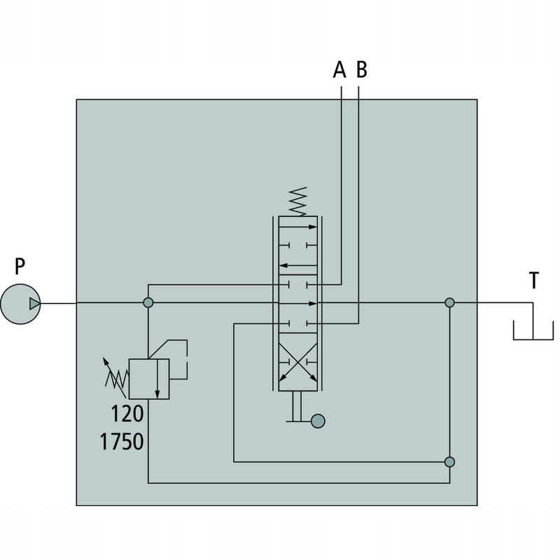
артикул: 86500002
сравнительный номер: SD4/1(KG3-120) / 1cp8l
технические параметры:
PN (бар): < /B> 250
соединительная резьба: G 3/8 "
функция-поршень управления: 1 x двуст. происходить.п>
номинальный расход л / мин: 40
