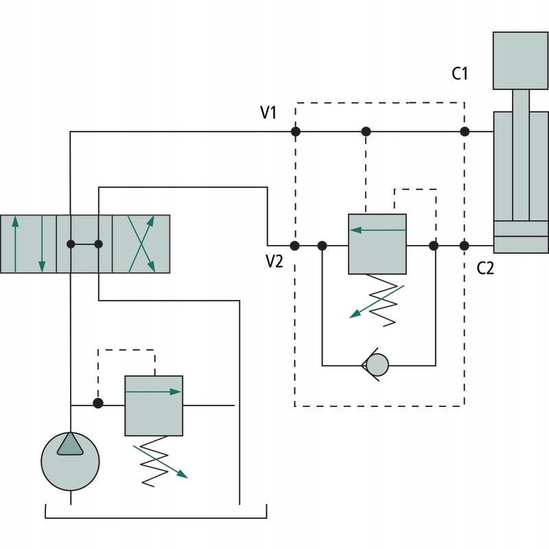
предохранительно-тормозной клапан SBV-EI-08 GR
качество обеспечивает гранит PARTS GERMANY
бренд: гранитные детали Германия
артикул: 85002127
сравнительный номер: SBK-EI-06
технические параметры:
соединение BSP: 3/8 "
S (мм): 30
соотношение управляющего давления: 1: 4,5
L6 (мм): 55
L (мм): 100
p Макс (бар): 350
Q макс. (л / мин): 40
H (мм): 60
L7 (мм): 44
