качество обеспечивает гранит PARTS GERMANY
бренд: гранитные детали Германия
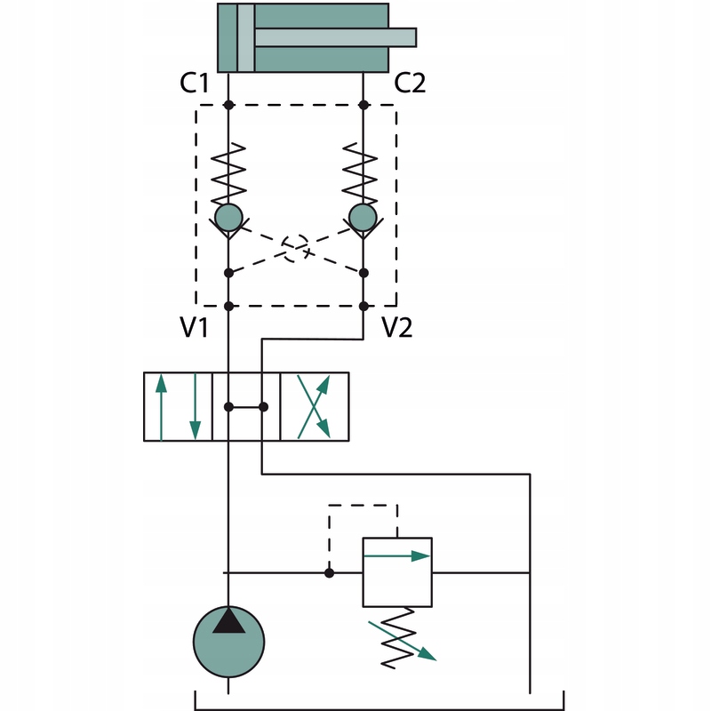
артикул: 85002121
сравнительный номер: ESRV-04-DM-12L
технические параметры:
соединение BSP: 12 л
S (мм): 30
соотношение управляющего давления: 1: 5,5
C1-C2: 12L
L (мм): 64
p Макс (бар): 350
Q макс. (л / мин): 20
H (мм): 40
V1-V2: 1/4 "
