имя:
гидравлический орбитальный двигатель BMP315 SMP315 FI-25mm
описание:
- номер детали KSMP3152ADGP1
- характеристики идентичная конструкция с орбитальными двигателями известных производителей
- преимущества-выгодное соотношение возможностей и цены - высокая грузоподъемность вала при осевых и радиальных усилиях-возможность кратковременного применения при высоком давлении
- применение везде, где требуется высокий крутящий момент на низких скоростях obrotowych.np.: - подметальные машины - самоблокирующийся прицеп - приводы пола скребка - разбрасыватель - газонокосилки - подъемники-сельскохозяйственная, Лесная и строительная техника
- свойства-со сливом масла утечки - тип конструкции ротора - широкий подшипник скольжения вала - может быть присоединен в серии с другими двигателями - подходит для использования в закрытых системах - относится к ряду орбитальных двигателей среднего размера-компактная и компактная конструкция
- техническая информация орбитальные двигатели отличаются компактной конструкцией и высоким пусковым крутящим моментом. Благодаря широким подшипникам они могут принимать большие радиальные и осевые силы.Орбитальные двигатели Gopart убеждают выгодным соотношением возможностей и цены. Двигатели особенно подходят для стандартных применений со средней нагрузкой.Ли>
- единица искусства
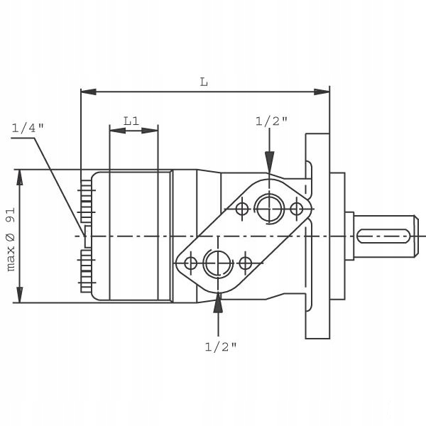
- соединение 1/2 "BSP; масло утечки 1/4" BSP
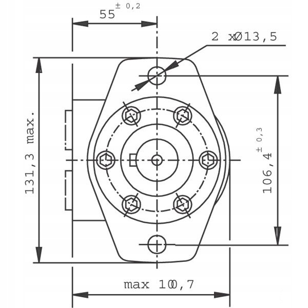
- типы фланцев фланец с 2 отверстиями (SAE A)
- тип вала цилиндрический вал
- внимание двигатели оснащены соединением для утечки масла, поэтому их можно без проблем соединить с другими двигателями или использовать в закрытых гидравлических системах.P1 = макс. Постоянное давление2 = прерывистая работа, макс. 10%/минп3 = макс. вершина графика давления
- прокладка SMP9AFDGP - Welle 25mmsmp9afd32gp-Welle 32mm
- производительность штамповки (см3 / об .) 314,5
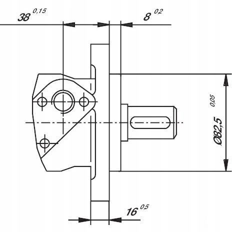
- диаметр вала 25
- L1 (мм) 42
- L (мм) 172
- P1 (бар) 85
- P2 (бар) 125
- P3 (бар) 125
- Nmax (об./ мин) 192
- Н мин. (Rpm) 10
- крутящий момент (да Нм) 37,5
- Q Макс. (л / мин) 60
- Мощность (кВт) 7,2
- фланец двигателя 2 отверстия SAE a фланец улей>
производитель: замена
