имя:
гидравлический орбитальный двигатель SMM20 OMM20 16 мм 2,4 кВт сторона
описание:
- номер детали KSMM20MAEGP1
- технические характеристики-концевые и боковые соединения - идентичная конструкция с орбитальными двигателями известных производителей
- преимущества-выгодное соотношение цены и качества - возможность кратковременного применения под высоким давлением
- применение-приводы воздуходувок и щеток - конвейерные ленты комбайнов
- свойства - тип конструкции ротора - широкий подшипник скольжения вала - относится к ряду небольших орбитальных двигателей-компактная и компактная конструкция
- техническая информация орбитальные двигатели отличаются компактной конструкцией и высоким пусковым крутящим моментом. Благодаря широким подшипникам они могут принимать большие радиальные и осевые силы.Орбитальные двигатели Gopart убеждают выгодным соотношением возможностей и цены. Двигатели особенно подходят для стандартных применений со средней нагрузкой.Ли>
- единица искусства
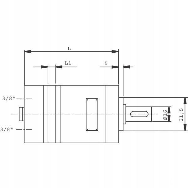
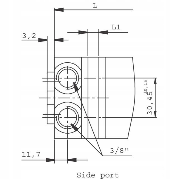
- соединение 3/8 "BSP; масло утечки 1/4" BSPIE = заднее соединение = боковое соединение
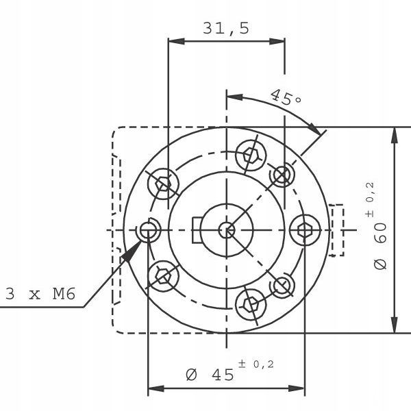
- типы фланцев круглый фланец с 3 отверстиями двигатели поставляются без фланца.(Навальный фланец,№: SMM9015FLGP)
- тип вала цилиндрический вал
- Ø валов (мм) 16
- внимание двигатели оснащены соединением для утечки масла, поэтому их можно без проблем соединить с другими двигателями или использовать в закрытых гидравлических системах.P1 = макс. Постоянное давление2 = прерывистая работа макс. 10%/минп3 = макс. вершина графика давления
- прокладка SMM9AFDGP
- производительность штамповки (см3 / об .) 19,9
- L1 (мм) 8,5
- L (мм) 110,0
- P1 (бар) 100
- P2 (бар) 140
- P3 (бар) 200
- Nmax (об./ мин) 1000
- Н мин. (Rpm) 30
- крутящий момент (да Нм) 2,5
- Q Макс. (л / мин) 20
- Мощность (кВт) 2,4
- фланец двигателя 3 отверстия для крепления, соответствующий фланец 2 отверстия заказать отдельно, смм9015flgp улей>
производитель: замена
