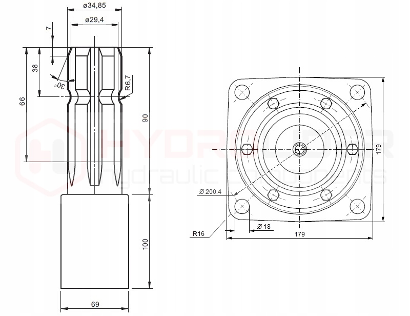
- тип: усиленный роликовыми подшипниками
- вал: вом 1 3/8"
- обороты макс.: 300obr/min
производство:
оригинальный продукт марки Hydrolider, символ: 1.37.24.801
применение:
имеет широкое применение в гидравлических системах в сельском хозяйстве, садоводстве, лесном хозяйстве, строительстве и широкой промышленности.
двигатели с одинаковыми размерами, в зависимости от происхождения и производителя, встречаются под разными символами m.in.:О MV, BMV, SMV, OMSV, OMZV и другие.
очень прочные и мощные гидравлические двигателиBMV 800 с высоким крутящим моментом, рекомендованные для работы в очень тяжелых условиях при большой нагрузке в различных видах сельскохозяйственного и промышленного оборудования. В системах, где двигатель имеет очень высокий спрос на мощность и крутящий момент.п>
