код SKRAW-MET: [2288]
производитель: Skraw-Met_________________________________________________________
стоит знать, выбирая поставщика привода
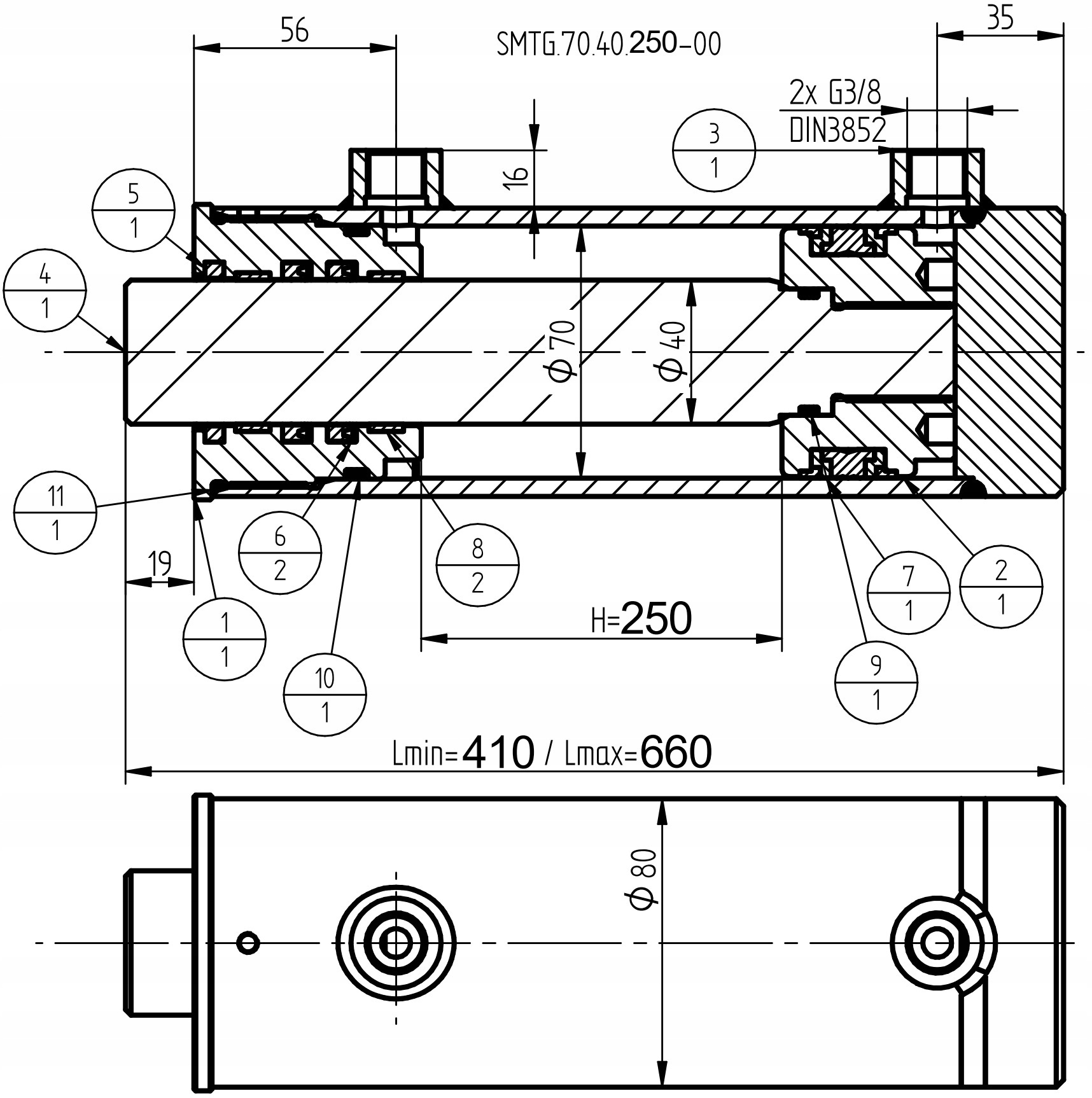
на фотографиях и изображениях показан только внешний вид приводов. Наиболее важные элементы, которые проецируют на качество и правильную работу привода в течение длительного времени, скрыты внутри ( усиленные уплотнения, стенокардия, шток поршня и высокое качество трубы). Все наши приводы обеспечивают высочайшее качество этих элементов. Выбирая продукт из нашего ассортимента, вы делаете хороший и мудрый выбор и товар, полученный из польской фабрики.
SKRAW-MET является многолетним лидером в производстве приводов. Благодаря опыту он использует только и исключительно усиленные уплотнения польского происхождения, что обеспечивает высочайшее качество на рынке и надежность на протяжении многих лет!
на других наших аукционах вы найдете усиленные уплотнения в качестве ремонтного комплекта этого привода.
______________________________________________
