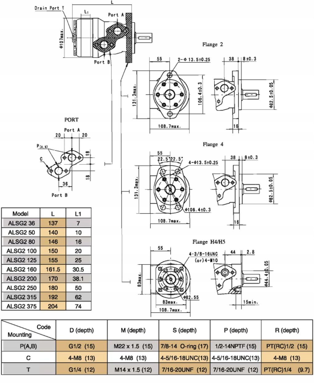
ALSG2L160O2SHD - Орбитальный двигатель ALSG2-L-160-O2-SHD 160 см3 / об

ALSG2L160O2SHD - Орбитальный двигатель ALSG2-L-160-O2-SHD 160 см3 / об

Что вы ищете?

ALSG2L160O2SHD - Орбитальный двигатель ALSG2-L-160-O2-SHD 160 см3 / об

В наличии
Код товара:
13231201430
12668,00 ₴
Основные параметры
Дополнительная информация
Состояние Новый
Номер детали ALSG2L160O2SHD
Оригинальный номер детали ALSG2L160O2SHD,
Описание
орбитальный двигатель ALSG2-L-160-O2-SHD 160 см3/об

крепление для двух винтов Расстояние между крепежными болтами 106,4 мм Шлицевой вал (6 зубьев)

сравнительный код: 21004276

  • рабочий объем: 160 см3 / об
Scroll To Top