гидроцилиндр двойного действия
в комплекте с двумя креплениями
производство:
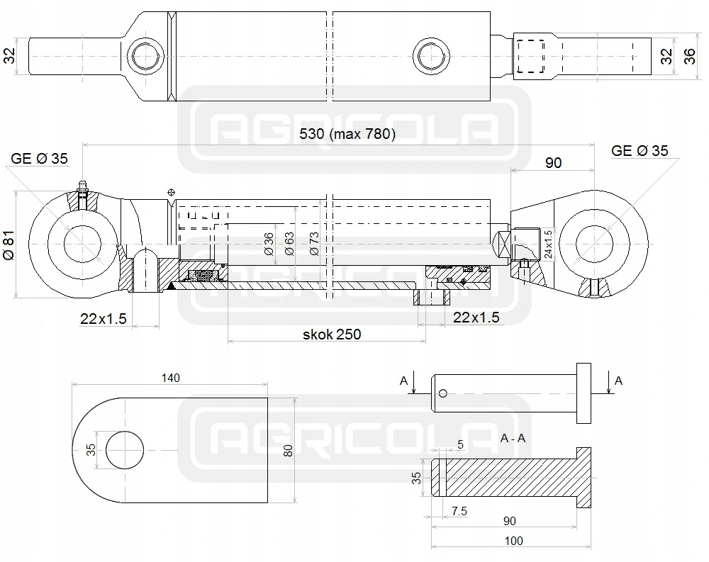
оригинальный продукт марки Hydrolider, символ производителя: 1.32.20.103.1;CJ2F 63/36/250 U35
применение:
имеет широкое применение в гидравлические системы в сельском хозяйстве, садоводстве, лесном хозяйстве, строительстве и широкой промышленности.
привод подходит для различных видов сельскохозяйственной техники, таких как: захваты тюков, крокодилы, повороты, а также снегоочистители, опрыскиватели, циклопы, погрузчики HDS, строительная техника, погрузчики, экскаваторы, подметальные машины, промышленные машины и другое оборудование с гидравлическим управлением.п>
