производство:
оригинальный продукт марки Hydrolider, символ: 1.06.10.133
сравнительные номера других производителей:
OSPC-125-ON; OSPC125ON; 150n2151
применение:
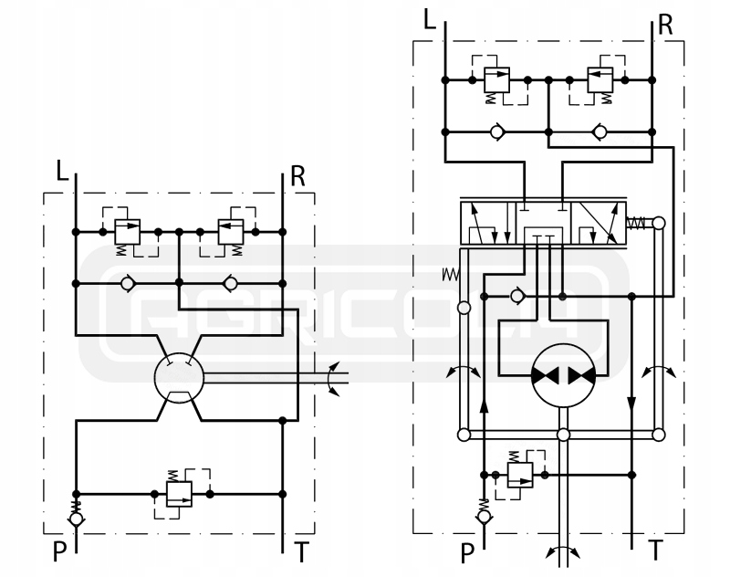
ORBITROL 125 С системой on (Open normally) в то время как руль стоит масло все время циркулирует в системе и идет на перелив, насос работает, но разгружен.
Orbitrol OSPC 125 ON предназначен для гидравлического управления рулевым управлением в сельскохозяйственных тракторах, вилочных погрузчиках, экскаваторах, комбайнах и строительной технике.п>
