код среза: [1175]
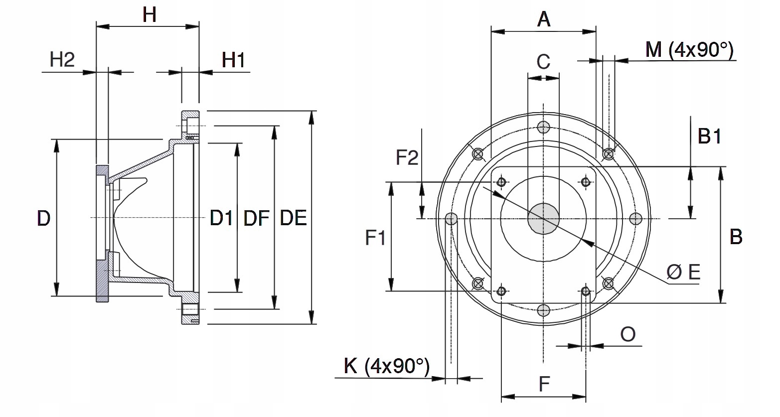
подходит для использования в электродвигателях с рамой D100 или D112 и с зубчатым насосом группы 2 с 4-винтовым европейским или коническим фланцем 1/8"
муфта имеет центрирующее кольцо.
фланцы-это механические компоненты, используемые для подключения электродвигателя к гидравлическому насосу.
эти корпуса обеспечивают идеальную установку электродвигателей со стандартным фланцем B5 и большинством 4 винтовых европейских гидравлических насосов, доступных на мировом рынке.
Материал: сталь - алюминий
